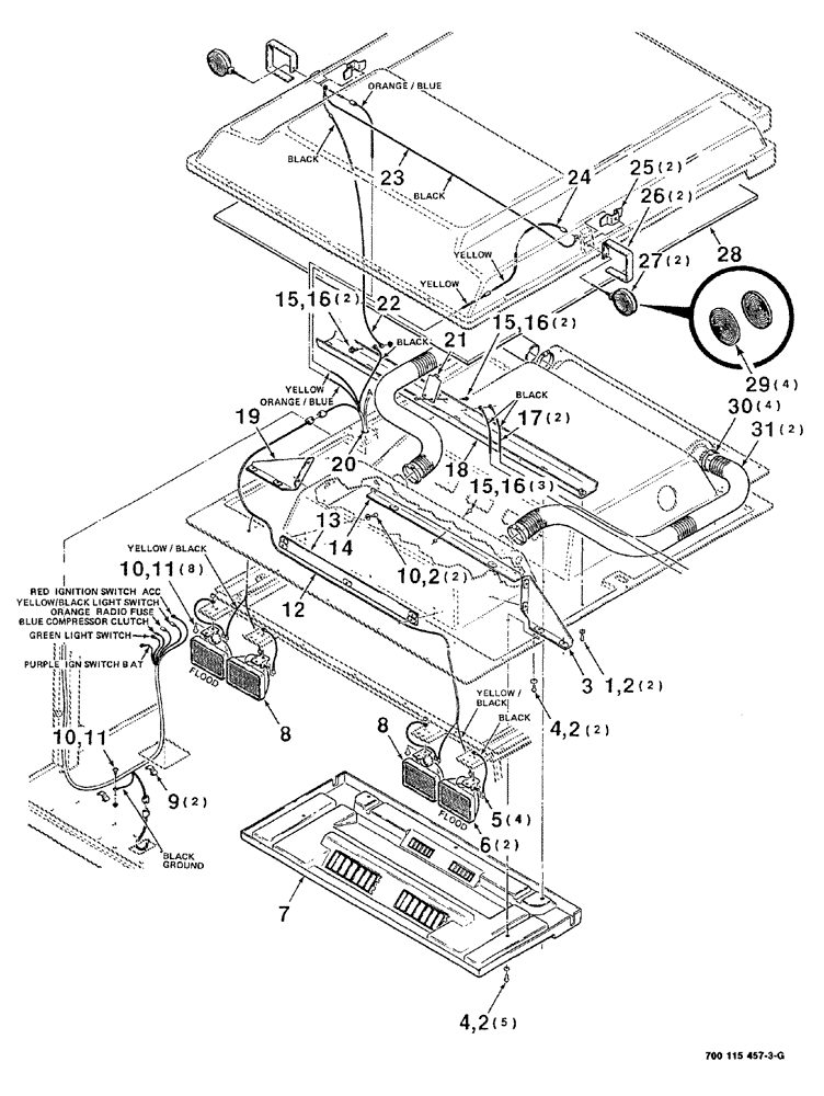
Запчасти Case IH 8840 (04-022) - CAB BLOWER, LIGHTS AND WIRING ASSEMBLY (55) - ELECTRICAL SYSTEMS

Схема запчастей Case IH 8840 - (04-022) - CAB BLOWER, LIGHTS AND WIRING ASSEMBLY (55) - ELECTRICAL SYSTEMS
17
4
2
30
27
14
15
26
7
15
2
11
31
19
16
12
15
11
10
24
2
25
2
16
13
16
8
5
21
9
22
6
23
20
28
4
10
1
8
10
3
29
18
FIT
1:1
100%

Артикул

Название

Примечание

Количество

1

413-58

BOLT,Hex, 5/16" - 18 x 1/2", Gr 5

SCREW cap, hex, 5/16"-18 x 1/2"

2шт.

2

495-61034

WASHER,0.34" ID x 0.88" OD x 0.06" Thk

plain, wide, 5/16"

11шт.

3

700110129

SUPPORT

WA left

1шт.

4

121-108

BOLT,Hex Flg, 5/16"-18 x 1 1/4", Serr

SCREW machine, hex washer head, 5/16"-18 x 1"

7шт.

5

700705124

WIRE

electrical

4шт.

6

700705183

HEADLAMP

head, flood

2шт.

7

700121359

COVER

ASSEMBLY

1шт.

8

700705184

WORK LAMP

head

2шт.

9

7745193

CLIP

2шт.

10

121-115

SERRATED BOLT,Hex, 5/16" - 18 x 3/4"

11шт.

11

231-5145

SERRATED NUT,Flg, USR, 5/16"-18

9шт.

12

700706890

WIRE HARNESS

wiring

1шт.

13

700110127

STRAP

WA

1шт.

14

700115093

SUPPORT

WA support

1шт.

15

7883275

SCREW,Hex Washer, 1/4" - 20 x 3/4"

machine, hex washer head, 1/4"-20 x 3/4"

7шт.

16

231-5144

SERRATED NUT,Flg, USR, 1/4"-20

7шт.

17

700705125

WIRE

electrical

2шт.

18

700110145

SUPPORT

WA support

1шт.

19

700110132

SUPPORT

WA right

1шт.

20

700706891

WIRE HARNESS

wiring

1шт.

21

700124527

SUPPORT

radio

1шт.

22

700705123

WIRE

electrical

1шт.

23

700705143

WIRE

electrical

1шт.

24

700705121

WIRE

electrical

1шт.

25

700117856

REINFORCEMENT

REINFORCEMENT light

2шт.

26

700110126

SHIELD

flasher light

2шт.

27

700708036

SIDE LAMP ASSY

flasher, Includes: Ref. 29

2шт.

28

700705148

ROOF LINING

foam

1шт.

29

700711749

LENS

flasher

4шт.

Part of Flasher Light, Ref. 27, P/N 700708036.

1шт.

30

214-1448

HOSE CLAMP,#48, 2.56" - 3.5", Type F Worm

4шт.

31

700705136

HOSE

air ducting

2шт.

Выбрано товаров: 0