Запчасти Case IH 8840 (10-028) - CYLINDER BLOCK (DIESEL) (10) - ENGINE

Схема запчастей Case IH 8840 - (10-028) - CYLINDER BLOCK (DIESEL) (10) - ENGINE
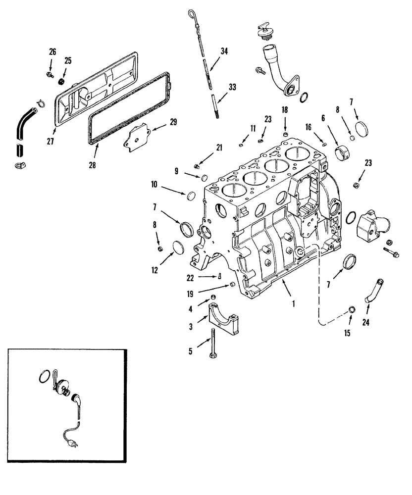
18
6
19
27
24
9
23
29
1
26
7
11
8
16
22
28
33
15
12
4
23
21
7
34
8
5
10
25
7
3
FIT
1:1
100%

Артикул

Название

Примечание

Количество

A174156

ENGINE ASSEMBLY

ENGINE ASSY 4T-390, complete, new, includes all parts except starter, alternator, fan, fan belt, air cleaner, muffler and exhaust pipe

1шт.

JR905378

BLOCK

ASSEMBLY short, engine, remanufactured, North America only

1шт.

JC905378

CORE-ENGINE

Return Part Number short block, use this number to return short block core for credit

1шт.

1989092C3R

REMAN-BASIC ENGINE

1шт.

1989092C3C

CORE-BASIC ENGINE

Return Part Number

1шт.

J905378

SKELETON ENGINE

BLOCK ASSEMBLY short, new, includes stripped block, pistons, connecting rods and bearings and crankshaft and bearings, order short block and P/N J905813 hardware kit

1шт.

1

J905376

CRANKCASE

BLOCK ASSEMBLY stripped, engine, order short block and J905813 hardware kit

1шт.

3

J900967

BEARING CAP

CAP main

5шт.

4

J900068

BEARING WASHER

RING dowel, 18 mm OD

10шт.

5

J904217

BOLT,Hex, M14 x 2 x 119mm, Cl 12.9

bearing cap, special

10шт.

6

REF

INSTRUCTION

BUSHING camshaft front

1шт.

7

J900965

PLUG

expansion

4шт.

8

J900956

PLUG

expansion, 18 mm OD

3шт.

9

A77539

PLUG

expansion, 26 mm

2шт.

J905813

PACKAGE, REPAIR

KIT block hardware

1шт.

10

J900958

PLUG

expansion, 32 mm OD

2шт.

11

J900955

PLUG

expansion, 10 mm OD

1шт.

15

A77439

PLUG

expansion, welch, 60 mm OD

1шт.

16

J900257

PIN,10.01mm OD x 16mm L

dowel, 16 mm long

2шт.

18

J902343

DOWEL

RING, 16 mm OD

2шт.

19

J900068

BEARING WASHER

RING dowel, 18 mm OD

2шт.

21

J906619

PLUG,1/8" - 27

hex socket pipe, 1/8"-27 PT

2шт.

22

J901020

NOZZLE CAP

piston cooling

4шт.

23

A77429

PLUG

hex socket pipe, 1/4"-18 PT

1шт.

24

J903744

PIPE FITTING,22.42 mm ID x 28 mm OD x 90.2, 64 mm L

TUBE drain, oil

1шт.

25

J900267

SEAL

ASSEMBLY cover bolt

4шт.

26

J900629

FLANGE BOLT,Hvy Hex, M8 x 16mm, Cl 8.8

2шт.

27

J916441

COVER

tappet

1шт.

28

J904056

GASKET

tappet cover

1шт.

29

J907586

BAFFLE

tappet cover

1шт.

33

J905425

TUBE,9.52 mm OD x 93 mm L

dipstick, oil

1шт.

34

J904294

DIPSTICK

oil level gauge

1шт.

Выбрано товаров: 32