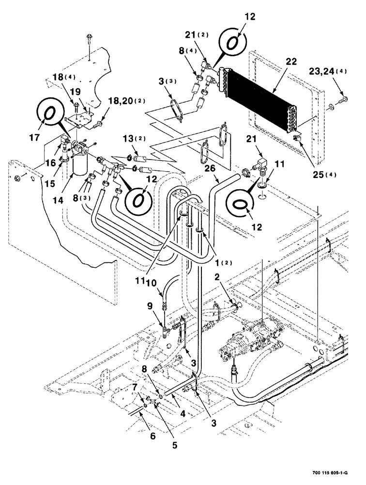
Запчасти Case IH 8840 (08-046) - HYDRAULIC OIL COOLER ASSEMBLY (35) - HYDRAULIC SYSTEMS

Схема запчастей Case IH 8840 - (08-046) - HYDRAULIC OIL COOLER ASSEMBLY (35) - HYDRAULIC SYSTEMS
7
25
1
23
12
3
2
3
3
12
12
17
22
14
11
11
24
21
4
8
13
8
26
10
5
15
18
9
8
21
16
19
20
6
18
FIT
1:1
100%

Артикул

Название

Примечание

Количество

1

8027179

GROMMET

2шт.

2

248-21114

GROMMET,1 1/2" ID x 1 3/4" Groove Dia

1шт.

3

306132C1

CABLE TIE,14.5" L

CABLE STRAP TIE

5шт.

4

7896608

HYDRAULIC HOSE,19.05 mm ID x 1600.00 mm

hydraulic

1шт.

5

8746406

CROSS

push on

1шт.

6

700706946

HOSE

hydraulic

1шт.

7

214-1406

HOSE CLAMP,#06, 0.44" - 0.78", Type F Worm

1шт.

8

214-1412

HOSE CLAMP,#12, 0.69" - 1.25", Type F Worm

8шт.

9

218-596

TEE,1 1/16"-12 37 Degree

TEE

1шт.

10

700706949

FLEXIBLE HOSE

hydraulic

1шт.

11

727248

GROMMET

2шт.

Part of Barbed Insert, Ref. 21, P/N 217-351.

1шт.

12

738484

O-RING

3шт.

13

700706947

FLEXIBLE HOSE

hydraulic

2шт.

14

8042574

FILTER ASSY

oil, hydraulic, see Figure 08-048

1шт.

15

214-1424

HOSE CLAMP,#24, 1.06" - 2", Type F Worm

1шт.

16

217-355

FITTING,90 Degree Elbow, 1-1/4" Hose Barb x 1-5/8" - 12 Male ORB

1шт.

17

237-6020

O-RING,0.118" Thk x 1.475" ID, -920, Cl 6, 90 Duro

1шт.

18

256873

BOLT,Hex Serr, 5/16" - 18 x 1/2", 5SPL, Full Thd

6шт.

19

700115624

SUPPORT

filter

1шт.

20

231-5145

SERRATED NUT,Flg, USR, 5/16"-18

2шт.

21

217-351

FITTING,90 Degree Elbow, 3/4" Hose Barb x 1-1/16" - 12 Male ORB

INSERT barbed, Incl. Ref. 11

3шт.

22

700706989

OIL COOLER

oil, hydraulic

1шт.

23

121-3

SERRATED BOLT,Hex, 1/4" - 20 x 1/2", Gr 5

4шт.

24

496-11028

WASHER,9/32" x 5/8" x .065, HDN

plain, hardened, 1/4"

4шт.

25

74807

NUT

speed, 1/4"-20

4шт.

26

700707962

FLEXIBLE HOSE

hydraulic

1шт.

Выбрано товаров: 27