Качественные детали и логистика
Оригинальные и аналоговые запчасти с доставкой по России, Казахстану и Беларуси
©2022 PartSell ООО "Система" ИНН 2463123282 ОГРН 1212400004838
Центральный офис: г. Красноярск, Академика Киренского, д.87, пом.4
Телефон: 8 (800) 777-65-74 Email: zakaz@partsell.ru
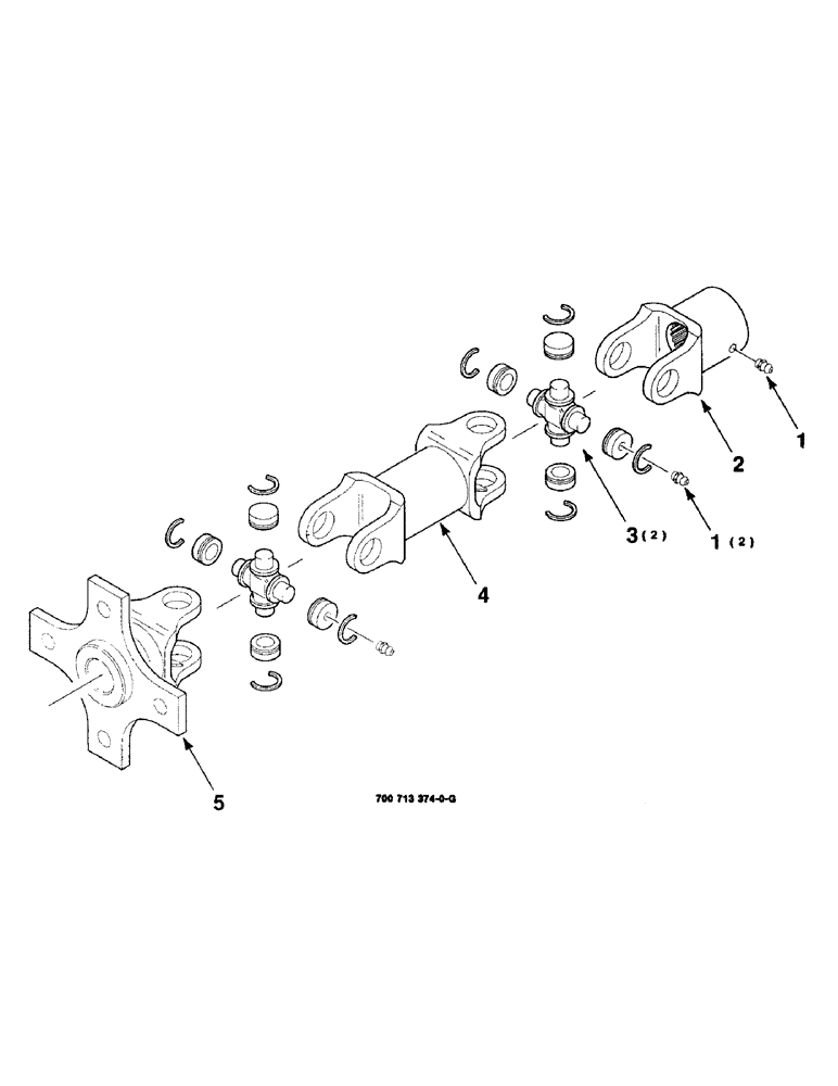
(02-12) - ENGINE ASSEMBLY, REAR, 700713374 U-JOINT ASSEMBLY COMPLETE
№
Артикул
Название
Примечание
Количество
700713374
YOKE
U-JOINT ASSEMBLY COMPLETE
1шт.
1
219-8
LUBE NIPPLE,1/4" - 28 NPTF
NIPPLE, LUBE, 1/4"-28 NPT x .54" lg
3шт.
2
700713403
- splined
3
700713672
KIT
- cross & bearing
2шт.
4
801506
DOUBLE YOKE
5
700713671
- flanged
Выбрано товаров: 0