Запчасти Case IH 8850 (10-24) - TURBOCHARGER SYSTEM, SERIAL NUMBER CFH0099165 AND LATER (02) - ENGINE

Схема запчастей Case IH 8850 - (10-24) - TURBOCHARGER SYSTEM, SERIAL NUMBER CFH0099165 AND LATER (02) - ENGINE
16
8
7
6
4
20
14
12
7
8
18
5
9
13
21
11
19
2
1
3
10
17
15
21
14
6
20
FIT
1:1
100%

Артикул

Название

Примечание

Количество

1

REF

INSTRUCTION

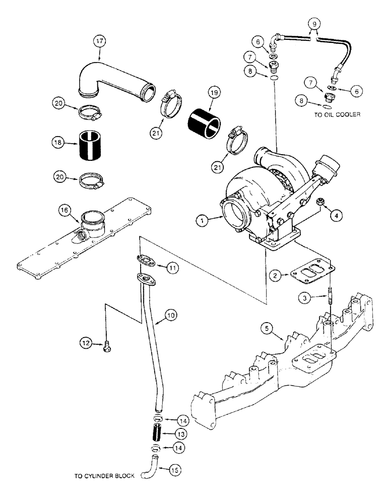
TURBOCHARGER ASSEMBLY - engine, new, see page 2-27B for correct assembly and component parts

1шт.

2

J901356

GASKET,0.5mm Thk

-, Serial Range: turbocharger-manifold

1шт.

3

J818823

STUD

- turbocharger mounting, M10 x 40

4шт.

4

J818824

FLANGE NUT

- hex flange, special, 10 mm - 1.5

4шт.

5

J902347

MANIFOLD

- exhaust, see page 2-23B, item 1

1шт.

6

222-993

GASKET,3/8 Tube, Fl, Copper

1шт.

7

J919687

HYD CONNECTOR

ADAPTER - female hex, special

2шт.

8

238-5013

O-RING,0.07" Thk x 0.426" ID, -13, Cl 5, 75 Duro

-013, 70 Duro, .426" ID x .070" Thk

1шт.

9

J920603

HOSE

- 451 mm (17-3/4 inch) long, turbocharger

1шт.

10

J918583

TUBE

- oil drain

1шт.

11

J928919

GASKET

- turbo oil drain tube

1шт.

12

845-8020

BOLT,Hvy Hex, M8 x 20mm, Cl 8.8

- heavy hex flange, 8 - 1.25 x 20 mm

2шт.

13

J903745

LARGE HOSE

HOSE - 76 mm (3 inch) long

1шт.

14

214-1416

HOSE CLAMP,#16, 0.81" - 1.5", Type F Worm

CLAMP, HOSE, , Adj., Turbocharger drain hose #16, 0.81/1.50 Type F Worm

2шт.

15

J903744

PIPE FITTING,22.42 mm ID x 28 mm OD x 90.2, 64 mm L

TUBE - turbocharger oil drain

1шт.

16

J904862

COVER

- intake manifold, see page 2-23B, item 4

1шт.

17

J931803

TUBE,63.5 mm OD x 282.11 mm L

- air intake, crossover

1шт.

18

J931805

INTAKE AIR HOSE

HOSE - 58 mm (2-9/32 inch) long

2шт.

19

214-1540

HOSE CLAMP,#40, 2.06" - 3", Type F Worm, W/ Liner

CLAMP - adj, 2-1/16 - 3 inch dia.

4шт.

Выбрано товаров: 19