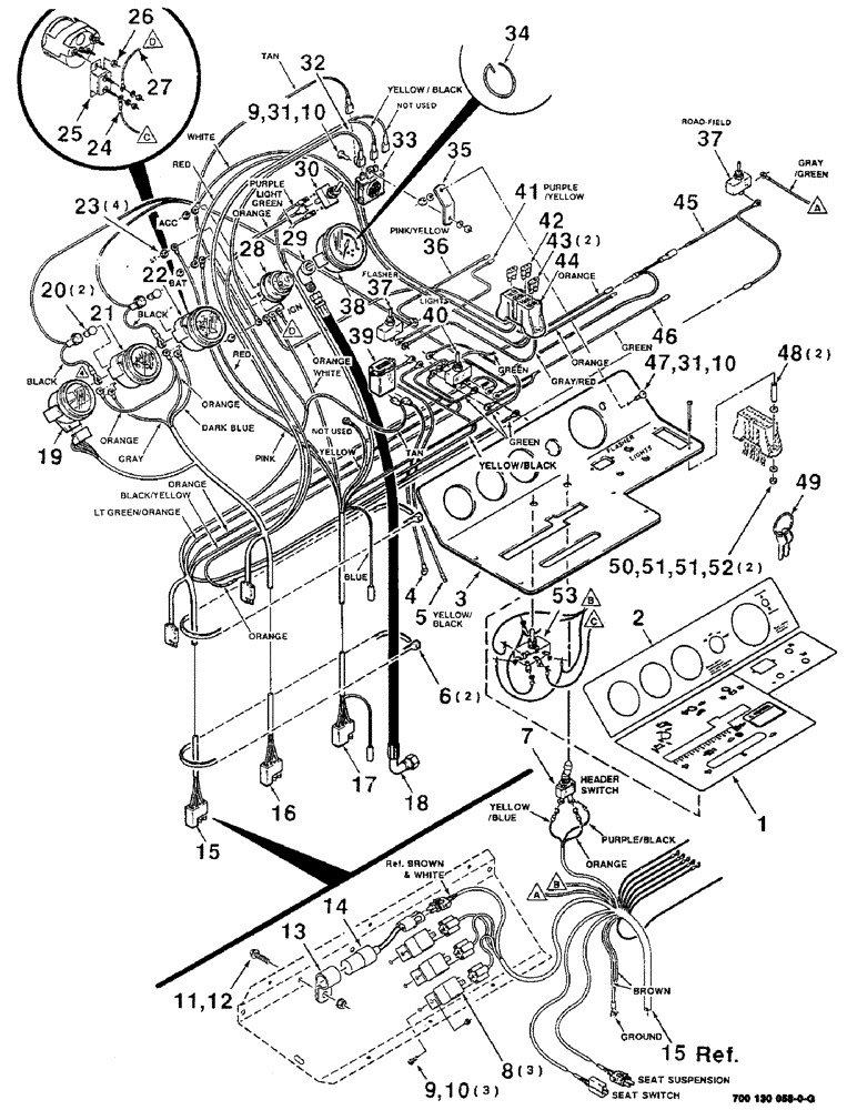
Запчасти Case IH 8850 (04-08) - CONTROL PANEL ASSEMBLY, ELECTRICAL (04) - ELECTRICAL SYSTEMS

Схема запчастей Case IH 8850 - (04-08) - CONTROL PANEL ASSEMBLY, ELECTRICAL (04) - ELECTRICAL SYSTEMS
39
33
26
1
25
29
22
42
45
10
35
20
14
43
38
51
13
27
47
8
3
19
5
23
2
7
17
48
37
49
31
53
11
37
30
16
10
18
36
15
51
40
41
24
46
32
6
4
50
28
21
10
52
34
9
9
12
31
44
FIT
1:1
100%

Артикул

Название

Примечание

Количество

1

700713386

DECAL

- panel, console

1шт.

2

700707775

DECAL

- panel, console

1шт.

3

700130069

PANEL

- console

1шт.

4

700705661

WIRE HARNESS

WIRE - electrical

1шт.

5

700705658

WIRE HARNESS

WIRE - electrical

1шт.

6

306132C1

CABLE TIE,14.5" L

TIE - cable 14 in

2шт.

7

700713389

SWITCH

- header engage

1шт.

8

700712971

RELAY

3шт.

9

340-1108

SCREW,Cross Pan Hd, #10-24 x 1/2"

#10-24 X 1/2 CRPHMS GR 60M

4шт.

10

225-14110

NUT,#10-24

5шт.

11

163-14

SCREW,Hex Wshr Hd, 1/4" - 20 x 1"

1/4-20 X 1 HWHMS

1шт.

12

1703354

NUT

1/4-20 HFTLN GR/G

1шт.

13

756460

CLAMP

1шт.

14

700713428

CAPACITOR

ASSEMBLY

1шт.

15

700714021

HARNESS

- wiring

1шт.

16

700705664

WIRE HARNESS

HARNESS - wiring

1шт.

17

700705666

WIRE HARNESS

HARNESS - wiring

1шт.

18

700707385

HOSE

ASSEMBLY

1шт.

19

700707106

INSTRUMENT CLUSTER

GAUGE - indicator light

1шт.

20

B50213

BULB

- lamp

2шт.

21

8022022

FUEL GAUGE

GAUGE - fuel

1шт.

22

700707105

VOLTMETER

GAUGE - voltmeter

1шт.

23

225-14210

NUT,#10-32

4шт.

24

700714054

ELECTRICAL WIRE

WIRE - electrical

1шт.

25

700051782

CIRCUIT BREAKER

1шт.

26

225-14108

NUT,#8-32

H GR2 #8-32

1шт.

27

700714126

ELECTRICAL WIRE

WIRE - electrical

1шт.

28

D75657

SWITCH

- starter

1шт.

29

218-513

ELBOW,90 Degree, 9/16"-18, 37 Degree x 1/4"-18, Fem NPTF

90 DEGREE ELBOW

1шт.

30

700705647

TOGGLE SWITCH

SWITCH - flotation

1шт.

31

492-11010

LOCK WASHER,#10

WASHER, LOCK, #10

2шт.

32

700711340

ELECTRICAL WIRE

WIRE - electrical

1шт.

Ref #32 Contains a resistor and a diode.

1шт.

33

700705642

BUZZER

1шт.

34

700709829

DIPSTICK

INDICATOR

1шт.

35

700111196

MOUNTING PLATE

MOUNTING - buzzer

1шт.

36

700706886

WIRE

- electrical

1шт.

37

700706896

SWITCH

- flasher/field-road

2шт.

38

700705581

SENDER UNIT

GAUGE - pressure

1шт.

39

L107631

METER

HOUR METER

1шт.

40

700706897

SWITCH

- lights

1шт.

41

700706885

WIRE

- electrical

1шт.

42

A149804

FUSE

1шт.

43

A149800

FUSE,10 Amp

2шт.

44

700710348

FUSE HOLDER

HARNESS - fuse box

1шт.

45

700707104

WIRE HARNESS

HARNESS - wire

1шт.

46

700706888

WIRE HARNESS

HARNESS - wire

1шт.

47

440-1106

SCREW,Cross Pan Hd, #10-24 x 3/8"

1шт.

48

38-32420

PIN,9.53mm OD x 31.75mm L, Coiled

2шт.

49

700712801

KEY

SET OF KEYS

1шт.

50

700710346

SCREW

#12-24 X 2 CRPHMS

2шт.

51

27616R1

WASHER,.281" x 5/8" x .075", HDN

#12 PLAIN WASHER

4шт.

52

121743

CHAIN,#12 - 24

#12-24 H GR2

2шт.

53

7723372

SWITCH

- header speed adjust

1шт.

BT TSG 3/98

1шт.

Выбрано товаров: 55