Запчасти Case IH 8860 (07-40) - AIR CONDITIONER ASSEMBLY (50) - CAB CLIMATE CONTROL

Схема запчастей Case IH 8860 - (07-40) - AIR CONDITIONER ASSEMBLY (50) - CAB CLIMATE CONTROL
9
13
4
24
8
3
16
5
15
1
7
17
20
18
26
22
25
11
4
19
7
3
23
14
21
6
12
2
5
11
10
FIT
1:1
100%

Артикул

Название

Примечание

Количество

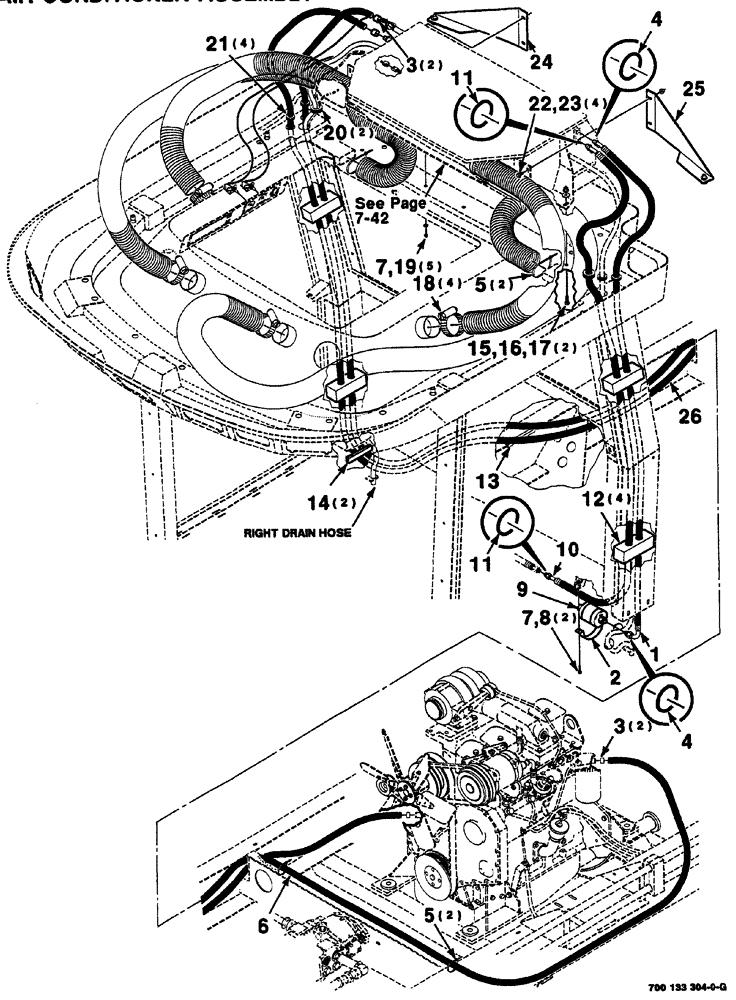
1

700715267

HOSE

ASSY.

1шт.

2

6804587

CLAMP

dryer

1шт.

3

700716047

TUBE

shrink sleeve

4шт.

4

700712717

O-RING

2шт.

5

306132C1

CABLE TIE,14.5" L

CABLE STRAP tie

4шт.

6

700715271

HOSE

heater

1шт.

7

163-14

SCREW,Hex Wshr Hd, 1/4" - 20 x 1"

machine, hex washer head, 1/4-20 x 1

7шт.

8

231-5144

SERRATED NUT,Flg, USR, 1/4"-20

2шт.

9

700705099

RECEIVER-DRYER

dryer

1шт.

10

700715269

HOSE

ASSY.

1шт.

11

31-1809

O-RING

O-RING

2шт.

12

700715266

PLUG

foam

4шт.

13

700715944

SEAL

TRIM push-on

1шт.

14

700105604

ADHESIVE STRIP

GROMMET

2шт.

15

413-616

BOLT,Hex, 3/8" - 16 x 1", Gr 5

2шт.

16

496-81010

WASHER

plain, hardened, wide, 3/8

2шт.

17

232-5316

FLANGE NUT,Flg, 3/8"-16

lock, hex flange top, GR/G, 3/8-16

2шт.

18

214-1448

HOSE CLAMP,#48, 2.56" - 3.5", Type F Worm

4шт.

19

496-11028

WASHER,9/32" x 5/8" x .065, HDN

plain, hardened, 1/4

5шт.

20

248-21114

GROMMET,1 1/2" ID x 1 3/4" Groove Dia

2шт.

21

248-2152

GROMMET,1" ID x 1 3/8" Groove Dia

4шт.

22

121-115

SERRATED BOLT,Hex, 5/16" - 18 x 3/4"

4шт.

23

232-5315

FLANGE NUT,Flg, 5/16"-18

lock, hex flange top, GR/G, 5/16-18

4шт.

24

700133433

SUPPORT

right, WA

1шт.

25

700133432

SUPPORT

left, WA

1шт.

26

700715270

HOSE

heater

1шт.

Выбрано товаров: 26