Запчасти Case IH 8860 (07-44) - CONDENSER AND COMPRESSOR ASSEMBLY (50) - CAB CLIMATE CONTROL

Схема запчастей Case IH 8860 - (07-44) - CONDENSER AND COMPRESSOR ASSEMBLY (50) - CAB CLIMATE CONTROL
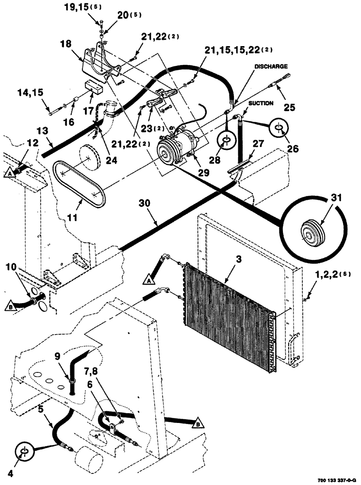
14
4
7
9
25
8
21
13
11
5
2
21
30
16
10
28
22
22
26
12
23
15
15
3
2
20
27
29
1
17
22
31
21
6
15
19
18
24
15
FIT
1:1
100%

Артикул

Название

Примечание

Количество

1

121-3

SERRATED BOLT,Hex, 1/4" - 20 x 1/2", Gr 5

6шт.

2

496-11028

WASHER,9/32" x 5/8" x .065, HDN

plain, hardened, 1/4

12шт.

3

700712702

CONDENSER

1шт.

4

700712717

O-RING

1шт.

Part of Hose Assy. Ref. 5 P/N 700715456

1шт.

5

700715456

HOSE

ASSY., Includes: Ref. 4

1шт.

6

515-23254

CLAMP,1", Insul, 3/8" Bolt

1шт.

7

409-7612

BOLT,3/8"-16 x 1.09" OAL

1шт.

8

231-5146

FLANGE NUT,3/8"-16

1шт.

9

248-2376

GROMMET,5/8" ID x 1 1/4" Groove Dia, Str Cut

1шт.

11

700715435

BELT

V

1шт.

12

248-2152

GROMMET,1" ID x 1 3/8" Groove Dia

1шт.

13

700715455

HOSE

ASSY., Includes: Ref. 28

1шт.

14

700715074

BOLT

cap, hex, black, M10 x 1.5 x 80, 10.9

1шт.

15

496-11041

WASHER,13/32" x 13/16" x .065", HDN

plain, hardened, 3/8

10шт.

16

6176002

SPACER

1шт.

17

700133962

BLOCK

support

1шт.

18

700133957

SUPPORT

compressor, WA

1шт.

19

700715073

BOLT

cap, hex, black, M10 x 1.5 x 40, 10.9

5шт.

20

6856512

SPACER

5шт.

21

614-10035

BOLT,Hex, M10 x 1.5 x 35mm, Cl 8.8, Full Thd

6шт.

22

700711876

LOCK NUT

lock, hex flange top, M10 x 1.5

6шт.

23

700133956

STRAP

adjustment

2шт.

24

306132C1

CABLE TIE,14.5" L

CABLE STRAP TIE nylon

1шт.

25

700713314

SWITCH

pressure

1шт.

26

31-1809

O-RING

O-RING

1шт.

27

700715944

SEAL

TRIM push-on

1шт.

28

700712718

O-RING

1шт.

Part of Hose Assy. Ref. 13 P/N 700715455

1шт.

29

1999755C2

COMPRESSOR

ASSY., complete, Includes: Ref. 30

1шт.

Part of Hose Assy. Ref. 30 P/N 700715457

1шт.

29

86993462R

REMAN-COMPRESSOR

8860, 8860HP; Reman For New P/N 1999755C2

1шт.

29

86993462C

CORE-COMPRESSOR

Return Part Number

1шт.

29

48017123R

REMAN-A/C COMP KIT

Reman A/C Compressor Kit

1шт.

29

48017123C

REMAN-A/C COMP KIT

Return Part Number

1шт.

29

1999755C3R

REMAN-A/C COMPRESSOR

Inc.- 8 Mounting Holes, 2 Groove Pulley, For Use w/HFC134A Refrigerant

1шт.

29

1999755C3C

CORE-COMPRESSOR

Return Part Number

1шт.

30

700715457

HOSE

ASSY., Includes: Ref. 29

1шт.

Part of Compressor Assy. Ref. 29 P/N 1999755C2

1шт.

31

135324A1

CLUTCH

KIT, accessory

1шт.

Выбрано товаров: 40