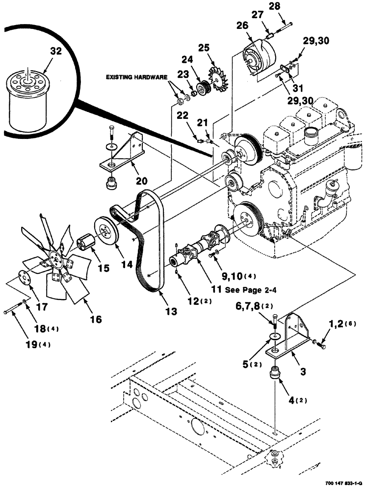
Запчасти Case IH 8860 (02-02) - ENGINE ASSEMBLY (FRONT) (10) - ENGINE

Схема запчастей Case IH 8860 - (02-02) - ENGINE ASSEMBLY (FRONT) (10) - ENGINE
23
21
28
14
10
15
24
32
19
25
27
3
22
12
30
18
4
29
6
11
7
1
17
26
29
2
9
8
5
20
30
16
13
31
FIT
1:1
100%

Артикул

Название

Примечание

Количество

1

628-12035

BOLT,Hex, M12 x 1.75 x 35mm, Cl 10.9, Full Thd

6шт.

2

892-10012

LOCK WASHER,M12

Helical spring

6шт.

3

700134316

MOUNTING CLIP

WA, left

1шт.

4

700707039

RUBBER MOUNTING

MOUNT rubber

2шт.

5

457432

WASHER

special

2шт.

6

703736

BOLT,Hex, 1/2" - 13 x 2 3/4", Gr 5

cap, hex, 1/2-13 x 2-3/4

2шт.

7

705541

WASHER,0.53" ID x 1.06" OD x 0.14" Thk

plain, hardened, 1/2

2шт.

8

231-5348

FLANGE NUT,Flg, 1/2"-13

lock, hex flange top, GR/G, 1/2-13

2шт.

9

413-716

BOLT,Hex, 7/16" - 14 x 1", Gr 5

4шт.

10

492-11044

LOCK WASHER,7/16"

4шт.

11

700708536

UNIVERSAL JOINT

ASSY.

1шт.

12

219-8

LUBE NIPPLE,1/4" - 28 NPTF

2шт.

13

J911580

V-BELT,27.92mm W x 1739.90mm L, 8 Ribs

1шт.

14

700134336

SHEAVE

A/C, "HA"

1шт.

15

A184524

SPACER

fan

1шт.

16

700716371

FAN

1шт.

17

700133970

SPACER

1шт.

18

896-12010

WASHER,11mm ID x 21mm OD x 2.5mm Thk

hardened

4шт.

19

700708765

BOLT

cap, hex, M10 x 1.5 x 115

4шт.

20

700117868

MOUNTING PARTS

SUPPORT, right

1шт.

21

137894

ELBOW,45 Degree, 1/2" NPT Street

ELBOW street, 45°

1шт.

22

217-153

FITTING,5/8" Hose Barb x 1/2" Male NPTF

INSERT hose

1шт.

23

J908563

RETAINER

pulley

1шт.

24

J908560

PULLEY

alternator

1шт.

25

221425R1

FAN

alternator

1шт.

26

700716128

ALTERNATOR

95 amp

1шт.

27

J902469

SPACER

1шт.

28

7771975

SCREW,Hex, M10 x 100mm, Cl 8.8

cap, hex, M10 x 1.5 x100

1шт.

29

614-8025

BOLT,Hex, M8 x 1.25 x 25mm, Cl 8.8, Full Thd

2шт.

30

895-11008

WASHER,9mm ID x 16mm OD x 1.6mm Thk

Hardened

2шт.

31

700134325

STRAP

1шт.

32

J908616

ENGINE OIL FILTER,Single pkg qty. For multi pkg [qty.12] order J908616MP

oil

1шт.

Выбрано товаров: 32