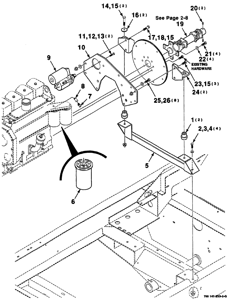
Запчасти Case IH 8860 (02-06) - ENGINE ASSEMBLY (REAR) (10) - ENGINE

Схема запчастей Case IH 8860 - (02-06) - ENGINE ASSEMBLY (REAR) (10) - ENGINE
15
11
12
3
9
25
15
7
23
5
19
22
1
6
8
26
2
16
4
21
20
10
24
13
17
15
14
18
FIT
1:1
100%

Артикул

Название

Примечание

Количество

1

700707039

RUBBER MOUNTING

MOUNT rubber

2шт.

2

413-824

BOLT,Hex, 1/2" - 13 x 1-1/2", Gr 5

4шт.

3

705541

WASHER,0.53" ID x 1.06" OD x 0.14" Thk

plain, hardened, 1/2

4шт.

4

231-5348

FLANGE NUT,Flg, 1/2"-13

lock, hex flange top, GR/G, 1/2-13

4шт.

5

700117872

MOUNTING PARTS

plate, WA, rear

1шт.

6

J931062

FILTER

fuel

1шт.

7

217-153

FITTING,5/8" Hose Barb x 1/2" Male NPTF

INSERT hose

1шт.

8

137894

ELBOW,45 Degree, 1/2" NPT Street

ELBOW street, 45°

1шт.

9

700708239

STARTING MOTOR

ASSY.

1шт.

10

700117898

LARGE PLATE

PLATE, LARGE rear

1шт.

11

7771728

SCREW

cap, hex, M10 x 1.5 x 40

2шт.

13

825-1410

NUT,M10, Cl 8

2шт.

14

703736

BOLT,Hex, 1/2" - 13 x 2 3/4", Gr 5

cap, hex, 1/2-13 x 2-3/4

2шт.

15

231-5348

FLANGE NUT,Flg, 1/2"-13

lock, hex flange top, GR/G, 1/2-13

6шт.

16

457432

WASHER

2шт.

17

413-832

BOLT,Hex, 1/2" - 13 x 2", Gr 5

1шт.

18

705541

WASHER,0.53" ID x 1.06" OD x 0.14" Thk

plain, hardened, 1/2

1шт.

19

700708535

UNIVERSAL JOINT

ASSY.

1шт.

20

219-8

LUBE NIPPLE,1/4" - 28 NPTF

2шт.

21

700708551

CAPSCREW,M12 x 1.25 x 40mm, Cl 12.9

hex, M12 x 1.25 x 40, class 12.9

4шт.

22

700708548

WASHER

hardened

4шт.

23

413-820

BOLT,Hex, 1/2" - 13 x 1-1/4", Gr 5

3шт.

24

700117904

MOUNTING PARTS

WA, rear

2шт.

25

628-12035

BOLT,Hex, M12 x 1.75 x 35mm, Cl 10.9, Full Thd

8шт.

26

895-11012

WASHER,13.5mm ID x 24mm OD x 2.5mm Thk

Hardened

8шт.

12

895-11010

WASHER,11mm ID x 20mm OD x 2mm Thk

Hardened

2шт.

Выбрано товаров: 26