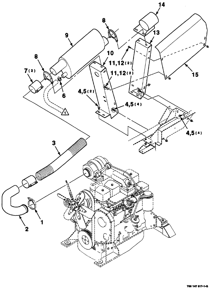
Запчасти Case IH 8860 (02-16) - ENGINE EXHAUST AND MOUNTING ASSEMBLY (8860 110HP) (10) - ENGINE

Схема запчастей Case IH 8860 - (02-16) - ENGINE EXHAUST AND MOUNTING ASSEMBLY (8860 110HP) (10) - ENGINE
11
12
5
8
11
12
1
4
4
2
5
4
5
10
13
3
7
6
9
8
15
14
FIT
1:1
100%

Артикул

Название

Примечание

Количество

1

700708544

CLAMP

T-bolt

1шт.

2

700715505

TUBE

exhaust

1шт.

3

700715572

TUBE,76.2 mm OD, 609.6 mm Length

flexible

1шт.

4

409-7612

BOLT,3/8"-16 x 1.09" OAL

10шт.

5

232-5316

FLANGE NUT,Flg, 3/8"-16

lock, hex flange top, GR/G, 3/8-16

10шт.

6

214-1420

HOSE CLAMP,#20, 0.81" - 1.75", Type F Worm

1шт.

7

700715571

CLAMP

seal

2шт.

8

722769

CLAMP

exhaust

2шт.

9

700715574

MUFFLER

1шт.

10

700134333

SUPPORT

muffler, front

1шт.

11

121-115

SERRATED BOLT,Hex, 5/16" - 18 x 3/4"

4шт.

12

232-5315

FLANGE NUT,Flg, 5/16"-18

lock, hex flange top, GR/G, 5/16-18

4шт.

13

700134332

SUPPORT

muffler, rear

1шт.

14

700134328

TUBE

exhaust, WA

1шт.

15

700134326

SHIELD

muffler

1шт.

Выбрано товаров: 15