Запчасти Case IH 8860 (10-68) - FUEL INJECTION PUMP AND DRIVE (4-390 EMISSIONS CERTIFIED ENGINE) (10) - ENGINE

Схема запчастей Case IH 8860 - (10-68) - FUEL INJECTION PUMP AND DRIVE (4-390 EMISSIONS CERTIFIED ENGINE) (10) - ENGINE
12
29
27
11
17
18
31
4
16
2
5
34
30
24
23
28
26
19
25
8
3
6
13
20
1
32
7
14
33
21
22
9
10
15
FIT
1:1
100%

Артикул

Название

Примечание

Количество

JR935669

REMAN-INJECTION PUMP

ASSY. fuel, North America only, component parts shown on this page do not apply to the remanufactured assembly, for service order J935669 pump assembly, Ref. 1

1шт.

JC935669

CORE-INJECTION PUMP

RETURN NUMBER use this part number to return pump core for credit when using a remanufactured assembly

1шт.

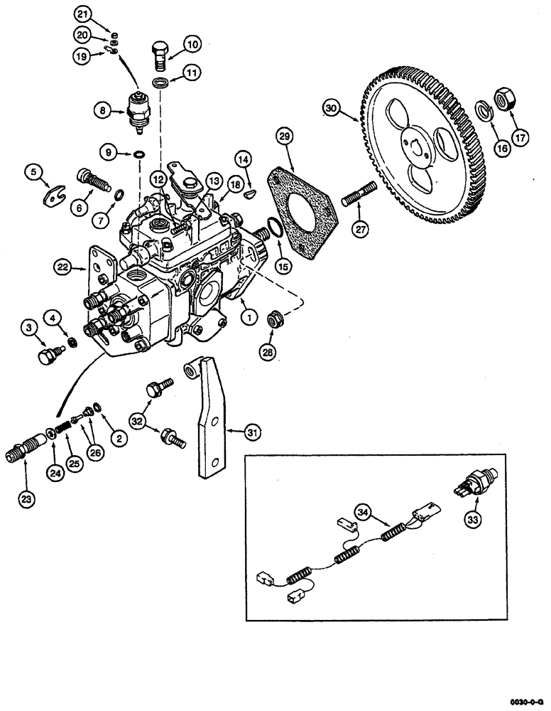
1

J935669

PUMP, FUEL INJECTION

PUMP, INJECTION ASSY. fuel, new

1шт.

2

J903570

GASKET,5.4mm ID x 12mm OD x 1mm Thk

delivery valve

4шт.

3

J903572

BLEED SCREW,M8 x 1 x 23.10mm

vent

1шт.

4

3053133R1

SEALING RING,M8 x 11.5 x 1

gasket, vent screw

1шт.

5

J904786

PLATE

timing lock

1шт.

6

J904784

SCREW,Hex Skt, M10 x 1 x 35mm

timing lock

1шт.

7

J904785

O-RING,8 mm ID x 2.5 mm

timing lock screw

1шт.

8

A77753

SOLENOID

ASSY. shut down

1шт.

9

J903577

SEAL

solenoid

1шт.

10

J905465

BANJO BOLT

banjo, overflow

1шт.

11

NSS

NOT SOLD SEPARAT

WASHER special

1шт.

12

J904782

SET SCREW,Sl, M6 x 40mm, Half Dog Pt

low idle stop

1шт.

13

J904783

NUT

low idle screw

1шт.

14

836-4065

WOODRUFF KEY,M4 x 6.5 x 15.72

1шт.

15

J920393

SEAL

shaft

1шт.

16

892-11014

LOCK WASHER,14.5mm ID x 24.1mm OD x 4.5mm Thk

1шт.

17

J903738

NUT

hex, special, 14 mm - 2.0

1шт.

18

J903382

ADAPTER,M12 x 1.5 x M14 x 1.5

tube

1шт.

19

A187990

TERMINAL CONNECTOR,Tin, 0.254 - 1.520mm

Male

1шт.

20

J907481

WASHER

lock, special

1шт.

21

J907480

NUT

special

1шт.

22

J905696

SUPPORT

BRACKET pump support

1шт.

23

J910794

FITTING

FITTING bypass delivery valve

4шт.

24

3059066R1

WASHER,2.5mm ID x 7.3mm OD x 1.5mm Thk

special

1шт.

25

J910796

SPRING

delivery valve

1шт.

26

J910795

BY-PASS VALVE

delivery

4шт.

27

J902501

STUD

STUD pump mounting, 8-1.25 x 48 mm

3шт.

28

825-2408

FLANGE NUT,M8 x 1.25, Flg, Cl 8

3шт.

29

J931607

GASKET

pump mounting

1шт.

30

J936021

GEAR

pump drive

1шт.

31

J905313

LEVER

BRACE fuel pump

1шт.

32

845-8020

BOLT,Hvy Hex, M8 x 20mm, Cl 8.8

3шт.

33

J915945

SWITCH

thermo

1шт.

34

J918364

HARNESS

wiring

1шт.

Выбрано товаров: 36