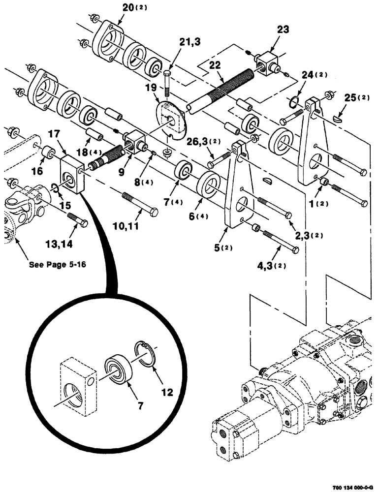
Запчасти Case IH 8860 (05-14) - TRANSMISSION CONTROLS ASSEMBLY (CONTINUED) (14) - MAIN GEARBOX & DRIVE

Схема запчастей Case IH 8860 - (05-14) - TRANSMISSION CONTROLS ASSEMBLY (CONTINUED) (14) - MAIN GEARBOX & DRIVE
15
4
25
18
3
3
23
3
22
6
5
14
24
17
12
8
7
7
9
11
21
2
26
20
16
10
13
1
19
3
FIT
1:1
100%

Артикул

Название

Примечание

Количество

1

700134351

SPACER

2шт.

2

413-660

BOLT,Hex, 3/8" - 16 x 3-3/4", Gr 5

cap, hex, 3/8-16 3-3/4

2шт.

3

232-5316

FLANGE NUT,Flg, 3/8"-16

lock, hex flange top, GR/G, 3/8-16

7шт.

4

413-664

BOLT,Hex, 3/8" - 16 x 4", Gr 5

cap, hex, 3/8-16 x 4

2шт.

5

700134001

ARM

steering

2шт.

6

700715440

RUBBER BUSHING

rubber

4шт.

7

T39594

BALL BEARING,0.7505" ID x 1.7805" OD x 0.61"

cylindrical

5шт.

Part of Bearing Housing Assy. Ref. 17 P/N 700115630

1шт.

8

219-8

LUBE NIPPLE,1/4" - 28 NPTF

4шт.

9

700150377

TRUNNION

thread, R.H.

1шт.

10

413-864

BOLT,Hex, 1/2" - 13 x 4", Gr 5

cap, hex, 1/2-13 x 4

1шт.

11

231-5348

FLANGE NUT,Flg, 1/2"-13

lock, hex flange top, GR/G, 1/2-13

1шт.

12

100-21175

SNAP RING,1.75", Int, #175

1шт.

Part of Bearing Housing Assy. Ref. 17 P/N 700115630

1шт.

13

413-732

BOLT,Hex, 7/16" - 14 x 2", Gr 5

hex, 7/16-14 x 2

1шт.

14

704452

SPRING

lock, hex flange top, 7/16-14

1шт.

15

100-1175

SNAP RING,#75, Ext

1шт.

16

6531362

BUSHING

SPACER

1шт.

17

700115630

BEARING ASSY

bearing, Includes: Ref. 7 and 12

1шт.

18

700134006

SPACER

4шт.

19

700111145

DISC

WA

1шт.

20

700134002

BEARING ASSY,40 mm ID x 63.575 mm OD x 17.55 mm

bearing

2шт.

21

413-640

BOLT,Hex, 3/8" - 16 x 2-1/2", Gr 5

1шт.

22

700134003

SHAFT

steering

1шт.

23

700150376

TRUNNION

thread, L.H.

1шт.

24

100-1198

SNAP RING,#98, Ext

2шт.

25

126-117

WOODRUFF KEY,#91, 1/4" x 3/4", HT

2шт.

26

413-644

BOLT,Hex, 3/8" - 16 x 2-3/4", Gr 5

2шт.

Выбрано товаров: 28