Запчасти Case IH 8860HP (04-14) - CONTROL FRAME AND GROUNDED SPEED CABLE ASSEMBLIES (55) - ELECTRICAL SYSTEMS

Схема запчастей Case IH 8860HP - (04-14) - CONTROL FRAME AND GROUNDED SPEED CABLE ASSEMBLIES (55) - ELECTRICAL SYSTEMS
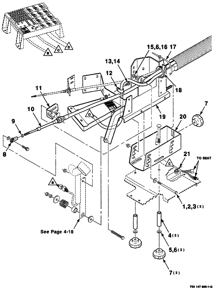
13
21
20
3
15
7
1
12
16
10
7
2
5
18
6
8
17
9
19
14
4
11
6
FIT
1:1
100%

Артикул

Название

Примечание

Количество

1

413-580

BOLT,Hex, 5/16" - 18 x 5", Gr 5

2шт.

2

495-61034

WASHER,0.34" ID x 0.88" OD x 0.06" Thk

plain, wide, 5/16

2шт.

3

232-5315

FLANGE NUT,Flg, 5/16"-18

lock, hex flange top, GR/G, 5/16-18

2шт.

4

700133486

SPACER

2шт.

5

433-664

CARRIAGE BOLT,Sq Nk, 3/8" - 16 x 4", Gr 5

BOLT round head square neck, 3/8-16 x 4

2шт.

6

496-11041

WASHER,13/32" x 13/16" x .065", HDN

plain, hardened, 3/8

3шт.

7

700715298

KNOB

fluted

3шт.

8

700710788

TRACK ROD END

BEARING rod

1шт.

9

425-115

NUT,5/16"-24, G5

1шт.

10

700715306

CABLE

ground speed

1шт.

11

700133484

MOUNTING CLIP

ground speed

1шт.

12

515-23254

CLAMP,1", Insul, 3/8" Bolt

1шт.

13

121-115

SERRATED BOLT,Hex, 5/16" - 18 x 3/4"

1шт.

14

231-5145

SERRATED NUT,Flg, USR, 5/16"-18

1шт.

15

433-612

CARRIAGE BOLT,Sq Nk, 3/8" - 16 x 3/4", Gr 5

1шт.

16

425-106

NUT,3/8"-16, Cl 5

1шт.

17

306132C1

CABLE TIE,14.5" L

CABLE STRAP TIE

1шт.

18

248-21114

GROMMET,1 1/2" ID x 1 3/4" Groove Dia

1шт.

19

700133463

SUPPORT

console, WA

1шт.

20

700133476

CHANNEL

console, WA

1шт.

21

L18337

CABLE TIE,9.95"-12.1" lg

CABLE STRAP TIE cable

1шт.

Выбрано товаров: 21