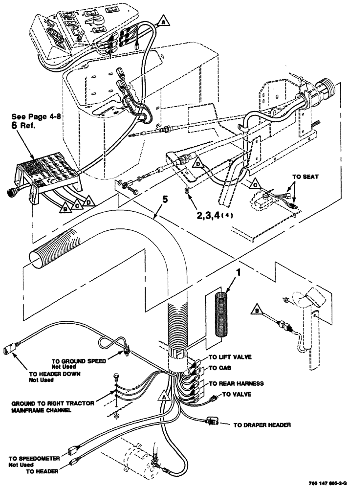
Запчасти Case IH 8860HP (04-16) - CONSOLE WIRING HARNESS ASSEMBLY (55) - ELECTRICAL SYSTEMS

Схема запчастей Case IH 8860HP - (04-16) - CONSOLE WIRING HARNESS ASSEMBLY (55) - ELECTRICAL SYSTEMS
2
6
4
1
3
5
FIT
1:1
100%

Артикул

Название

Примечание

Количество

1

700716874

TUBE

corrugated, loom

1шт.

2

225-14110

NUT,#10-24

4шт.

3

495-31022

WASHER,#10

4шт.

4

440-11012

SCREW,Cross Pan Hd, #10-24 x 3/4"

GR60M

4шт.

5

700715299

HOSE

corruagted

1шт.

6

700715293

HARNESS

wire

1шт.

Выбрано товаров: 6