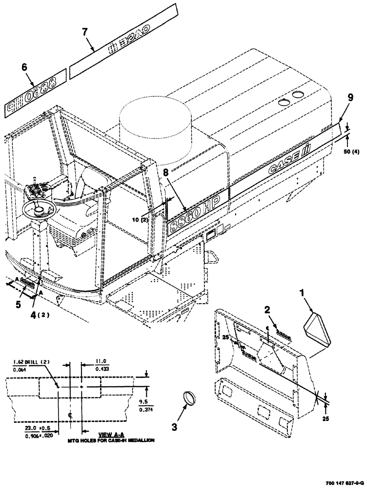
Запчасти Case IH 8860HP (09-04) - DECALS AND LOCATION DIAGRAM (90) - PLATFORM, CAB, BODYWORK AND DECALS

Схема запчастей Case IH 8860HP - (09-04) - DECALS AND LOCATION DIAGRAM (90) - PLATFORM, CAB, BODYWORK AND DECALS
7
2
8
6
4
3
9
1
5
FIT
1:1
100%

Артикул

Название

Примечание

Количество

1

311858A1

DECAL

EMBLEM slow moving vehicle

1шт.

2

192848A2

DECAL

Case IH

1шт.

3

700710275

PLUG

plastic

1шт.

4

1324788C1

NUT

self-threading

2шт.

5

186882A1

EMBLEM CASE/IH

MEDALLION Case IH

1шт.

6

700717245

DECAL

front, right

1шт.

7

700715917

DECAL

rear, right

1шт.

8

700717244

DECAL

front, left

1шт.

9

700715915

DECAL

rear, left

1шт.

Выбрано товаров: 9