Запчасти Case IH 8860HP (09-06) - DECALS AND LOCATION DIAGRAM (OPERATIONAL) (90) - PLATFORM, CAB, BODYWORK AND DECALS

Схема запчастей Case IH 8860HP - (09-06) - DECALS AND LOCATION DIAGRAM (OPERATIONAL) (90) - PLATFORM, CAB, BODYWORK AND DECALS
10
7
4
13
5
11
8
1
2
6
12
9
3
FIT
1:1
100%

Артикул

Название

Примечание

Количество

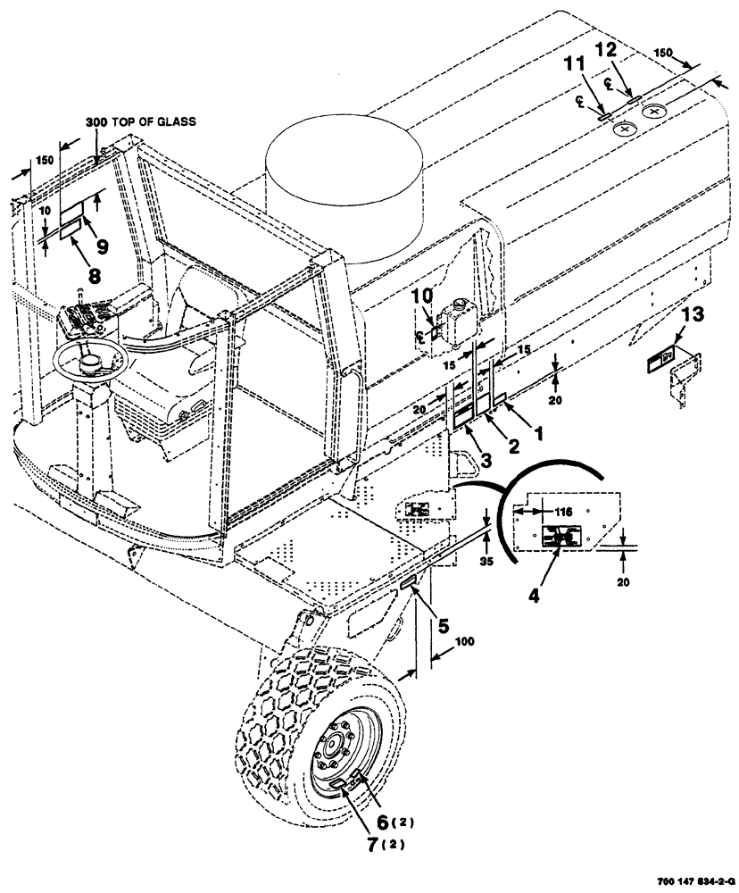
1

700715522

DECAL

tire pressure

1шт.

2

78840

DECAL

patents

1шт.

3

700714229

DECAL

warning

1шт.

4

700716739

DECAL

valve function

1шт.

5

779223

DECAL

towing

1шт.

6

700719630

DECAL

20 PSI

2шт.

7

7178858

DECAL

tire

2шт.

8

700716859

DECAL

gauges

1шт.

9

700709415

DECAL

header wear

1шт.

10

700715551

DECAL

coolant

1шт.

11

8888703

DECAL

oil reservoir

1шт.

12

700715520

DECAL

diesel fuel

1шт.

13

700715422

DECAL

danger

1шт.

Выбрано товаров: 13