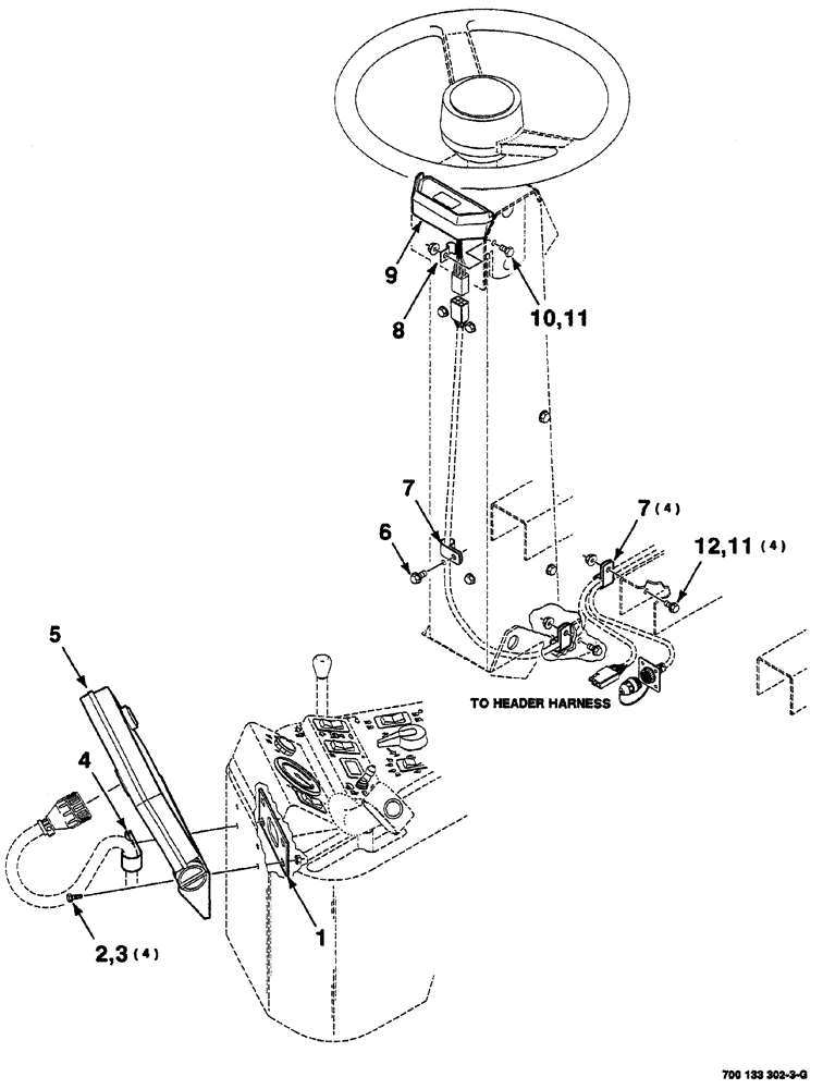
Запчасти Case IH 8870 (04-02) - STEERING COLUMN AND MONITOR ASSEMBLIES (41) - STEERING

Схема запчастей Case IH 8870 - (04-02) - STEERING COLUMN AND MONITOR ASSEMBLIES (41) - STEERING
12
11
9
1
4
3
7
10
11
6
7
5
8
2
FIT
1:1
100%

Артикул

Название

Примечание

Количество

1

700134339

PLATE

1шт.

2

163-14

SCREW,Hex Wshr Hd, 1/4" - 20 x 1"

machine, hex washer head, 1/4"-20 x 1"

4шт.

3

1703354

NUT

lock, hex flange top, GR/G, 1/4"-20

4шт.

4

515-23254

CLAMP,1", Insul, 3/8" Bolt

Line

1шт.

5

700715256

GAUGE

MONITOR electronic

1шт.

6

700728796

SCREW machine, hex washer head, BF, 5/16"-18 x 3/4"

1шт.

7

515-2295

CLAMP,3/8", Insul, 5/16" Bolt

Line

5шт.

8

8797433

CLAMP

1шт.

9

700715249

SPEEDOMETER

1шт.

10

413-48

BOLT,Hex, 1/4" - 20 x 1/2", Gr 5

1шт.

11

231-5144

SERRATED NUT,Flg, USR, 1/4"-20

5шт.

12

7883275

SCREW,Hex Washer, 1/4" - 20 x 3/4"

machine, hex washer head, 1/4"-20 x 3/4"

4шт.

Выбрано товаров: 12