Запчасти Case IH 8870 (07-42) - CONDENSER AND COMPRESSOR ASSEMBLY (50) - CAB CLIMATE CONTROL

Схема запчастей Case IH 8870 - (07-42) - CONDENSER AND COMPRESSOR ASSEMBLY (50) - CAB CLIMATE CONTROL
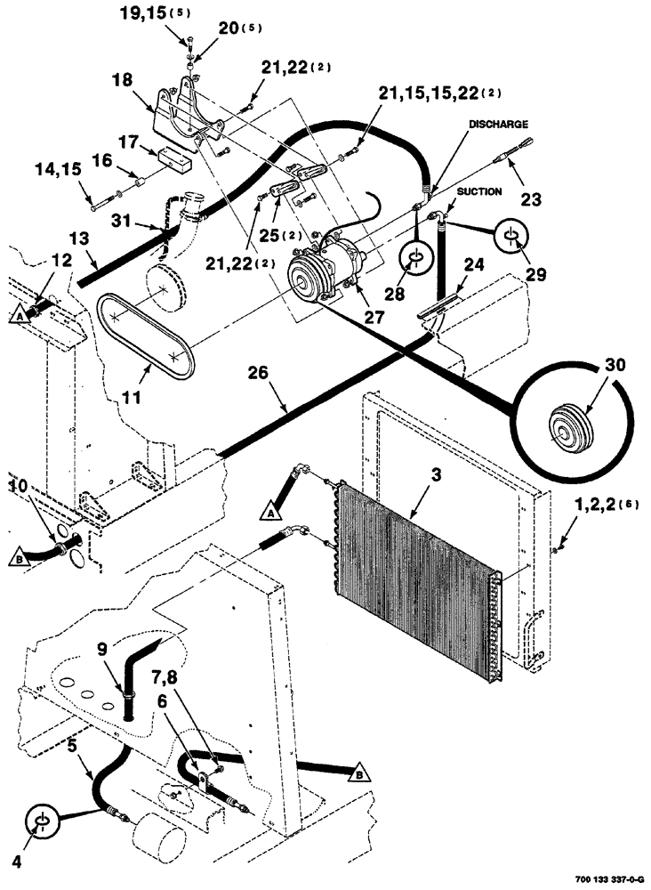
13
14
23
21
30
25
10
22
19
22
21
31
22
1
4
11
15
2
15
29
15
20
2
28
16
21
24
6
12
15
18
9
27
3
5
7
8
17
26
FIT
1:1
100%

Артикул

Название

Примечание

Количество

1

121-3

SERRATED BOLT,Hex, 1/4" - 20 x 1/2", Gr 5

6шт.

2

496-11028

WASHER,9/32" x 5/8" x .065, HDN

plain, hardened, 1/4"

12шт.

3

700712702

CONDENSER

1шт.

4

700712717

O-RING

1шт.

Part of Hose Assembly Ref. 5 P/N 700715456

1шт.

5

700715456

HOSE

ASSEMBLY, Includes: Ref. 4

1шт.

6

515-23254

CLAMP,1", Insul, 3/8" Bolt

1шт.

7

409-7612

BOLT,3/8"-16 x 1.09" OAL

1шт.

8

231-5146

FLANGE NUT,3/8"-16

1шт.

9

248-2376

GROMMET,5/8" ID x 1 1/4" Groove Dia, Str Cut

1шт.

10

248-21114

GROMMET,1 1/2" ID x 1 3/4" Groove Dia

1шт.

11

700715435

BELT

1шт.

12

248-2152

GROMMET,1" ID x 1 3/8" Groove Dia

1шт.

13

700715455

HOSE

ASSEMBLY, Includes: Ref. 28

1шт.

14

700715074

BOLT

SCREW cap, hex, 10.9 black, M10 x 1.5 x 80

1шт.

15

496-11041

WASHER,13/32" x 13/16" x .065", HDN

plain, hardened, 3/8"

10шт.

16

6176002

SPACER

1шт.

17

700133962

BLOCK

support

1шт.

18

700133957

SUPPORT

WA compressor

1шт.

19

700715073

BOLT

SCREW cap, hex, 10.9 black, M10 x 1.5 x 40

5шт.

20

6856512

SPACER

5шт.

21

614-10035

BOLT,Hex, M10 x 1.5 x 35mm, Cl 8.8, Full Thd

6шт.

22

700711876

LOCK NUT

lock, hex flange top, M10 x 1.5

6шт.

23

700713314

SWITCH

pressure

1шт.

24

700715944

SEAL

TRIM push on

1шт.

25

700133956

STRAP

adjustment

2шт.

26

700715457

HOSE

ASSEMBLY, Includes: Ref. 29

1шт.

27

1999755C2

COMPRESSOR

ASSEMBLY complete, Includes: Ref. 30

1шт.

27

86993462R

REMAN-COMPRESSOR

8870; Reman For New P/N 1999755C2

1шт.

27

86993462C

CORE-COMPRESSOR

Return Part Number

1шт.

27

48017123R

REMAN-A/C COMP KIT

Reman A/C Compressor Kit

1шт.

27

48017123C

REMAN-A/C COMP KIT

Return Part Number

1шт.

27

1999755C3R

REMAN-A/C COMPRESSOR

Inc.- 8 Mounting Holes, 2 Groove Pulley, For Use w/ HFC134A Refrigerant

1шт.

27

1999755C3C

CORE-COMPRESSOR

Return Part Number

1шт.

28

700712718

O-RING

1шт.

Part of Hose Assembly Ref. 13 P/N 700715455

1шт.

29

31-1809

O-RING

O-RING

1шт.

Part of Hose Assembly Ref. 26 P/N 700715457

1шт.

30

135324A1

CLUTCH

ACCESSARY KIT

1шт.

Part of Compressor Assembly Ref. 27 P/N 1999755C2

1шт.

31

306132C1

CABLE TIE,14.5" L

CABLE STRAP TIE nylon

1шт.

Выбрано товаров: 41