Качественные детали и логистика
Оригинальные и аналоговые запчасти с доставкой по России, Казахстану и Беларуси
©2022 PartSell ООО "Система" ИНН 2463123282 ОГРН 1212400004838
Центральный офис: г. Красноярск, Академика Киренского, д.87, пом.4
Телефон: 8 (800) 777-65-74 Email: zakaz@partsell.ru
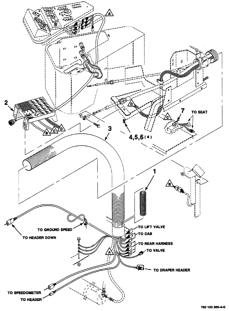
(04-12) - CONTROL ASSEMBLY
№
Артикул
Название
Примечание
Количество
1
700716874
TUBE
loom, corrugated
1шт.
2
700715293
HARNESS
wire
3
700715299
HOSE
corrugated
4
225-14110
NUT,#10-24
4шт.
5
495-31022
WASHER,#10
6
440-11012
SCREW,Cross Pan Hd, #10-24 x 3/4"
Grade 60M
7
L18337
CABLE TIE,9.95"-12.1" lg
CABLE STRAP TIE cable
Выбрано товаров: 0