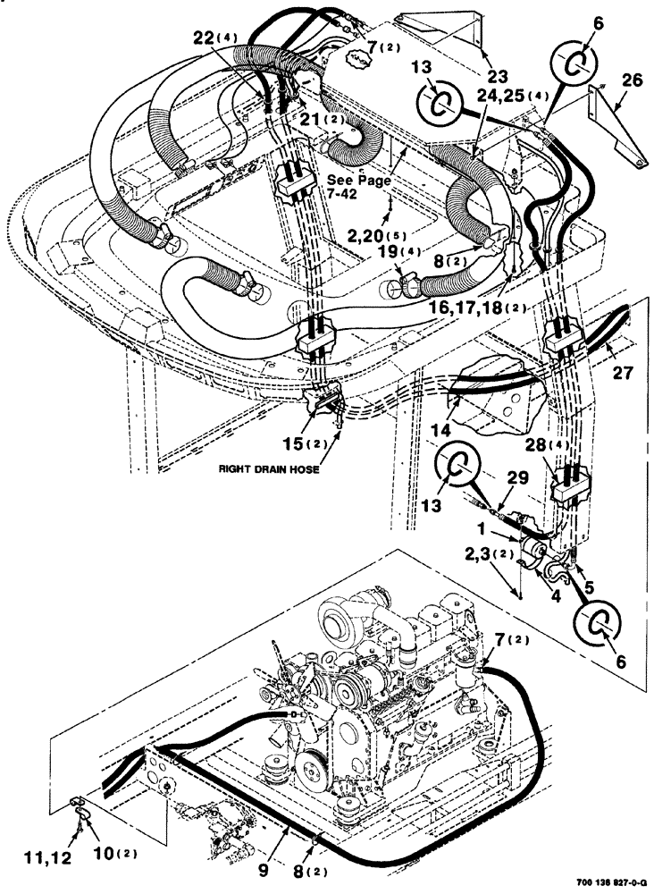
Запчасти Case IH 8880 (07-040) - AIR CONDITIONER ASSEMBLY (50) - CAB CLIMATE CONTROL

Схема запчастей Case IH 8880 - (07-040) - AIR CONDITIONER ASSEMBLY (50) - CAB CLIMATE CONTROL
23
22
6
3
15
19
18
1
8
24
20
27
13
4
10
2
29
13
5
7
26
9
21
2
7
16
28
25
11
12
6
14
17
8
FIT
1:1
100%

Артикул

Название

Примечание

Количество

1

700705099

RECEIVER-DRYER

receiver, dryer

1шт.

2

163-14

SCREW,Hex Wshr Hd, 1/4" - 20 x 1"

1/4-20 x 1, HWHMS

7шт.

3

231-5144

SERRATED NUT,Flg, USR, 1/4"-20

2шт.

4

6804587

CLAMP

dryer

1шт.

5

700715267

HOSE

ASSEMBLY (Includes Ref.6)

1шт.

6

700712717

O-RING

O-RING

2шт.

7

700716047

TUBE

shrink sleeve

4шт.

8

306132C1

CABLE TIE,14.5" L

CABLE STRAP tie

4шт.

9

700715271

HOSE

heater

1шт.

10

515-23254

CLAMP,1", Insul, 3/8" Bolt

Hose

2шт.

11

413-616

BOLT,Hex, 3/8" - 16 x 1", Gr 5

1шт.

12

231-5146

FLANGE NUT,3/8"-16

1шт.

13

31-1809

O-RING

O-RING

2шт.

14

700715944

SEAL

TRIM push on

1шт.

15

700105604

ADHESIVE STRIP

GROMMET

2шт.

16

413-616

BOLT,Hex, 3/8" - 16 x 1", Gr 5

2шт.

17

496-81010

WASHER

hardened wide plain, 3/8

2шт.

18

232-5316

FLANGE NUT,Flg, 3/8"-16

3/8-16, HFTLN, GR/G

2шт.

19

214-1448

HOSE CLAMP,#48, 2.56" - 3.5", Type F Worm

4шт.

20

496-11028

WASHER,9/32" x 5/8" x .065, HDN

hardened plain, 1/4

5шт.

21

248-21114

GROMMET,1 1/2" ID x 1 3/4" Groove Dia

2шт.

22

248-2152

GROMMET,1" ID x 1 3/8" Groove Dia

4шт.

23

700133433

SUPPORT

WA, right

1шт.

24

121-115

SERRATED BOLT,Hex, 5/16" - 18 x 3/4"

4шт.

25

232-5315

FLANGE NUT,Flg, 5/16"-18

5/16-18, HFTLN, GR/G

4шт.

26

700133432

SUPPORT

WA, left

1шт.

27

700715270

HOSE

heater

1шт.

28

700715266

PLUG

foam

4шт.

29

700715269

HOSE

ASSEMBLY (Includes Ref. 13)

1шт.

Выбрано товаров: 29