Запчасти Case IH 8880 (09-008) - DECALS AND LOCATION DIAGRAM (OPERATIONAL) (90) - PLATFORM, CAB, BODYWORK AND DECALS

Схема запчастей Case IH 8880 - (09-008) - DECALS AND LOCATION DIAGRAM (OPERATIONAL) (90) - PLATFORM, CAB, BODYWORK AND DECALS
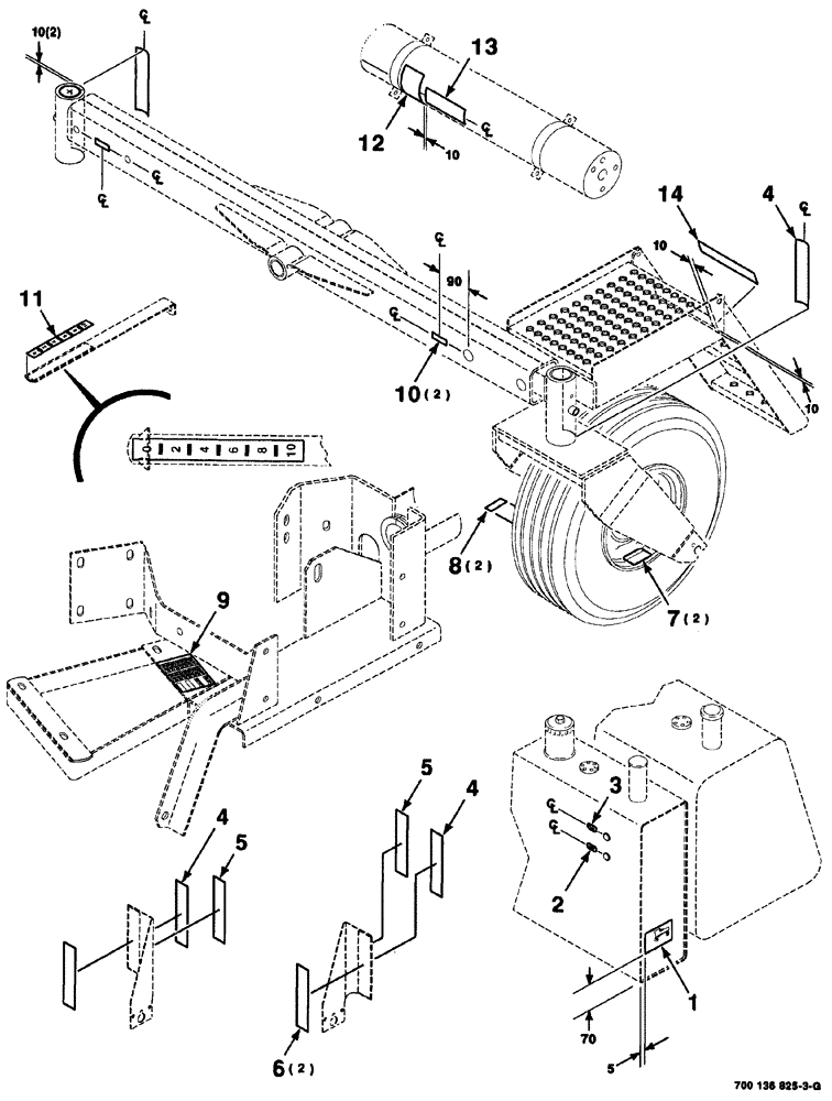
5
2
11
8
5
4
3
7
13
10
14
9
4
1
6
4
12
FIT
1:1
100%

Артикул

Название

Примечание

Количество

1

700715521

DECAL

1шт.

2

7079999

DECAL

add

1шт.

3

7079981

DECAL

full

1шт.

4

700717402

REFLECTOR

red

3шт.

5

700717404

REFLECTOR

red, orange

2шт.

6

700717403

REFLECTOR

yellow

2шт.

7

7079387

DECAL

torque

2шт.

8

700719631

DECAL

10 PSI

2шт.

9

700715302

DECAL

fuse

1шт.

10

700719632

DECAL

torque

2шт.

11

700713390

DECAL

indicator

1шт.

12

700711651

DECAL

accumulator info

1шт.

13

700713550

DECAL

danger

1шт.

14

700714346

REFLECTOR

red

1шт.

Выбрано товаров: 14