Запчасти Case IH 8880 (05-014) - TRANSMISSION CONTROLS ASSEMBLY (21) - TRANSMISSION

Схема запчастей Case IH 8880 - (05-014) - TRANSMISSION CONTROLS ASSEMBLY (21) - TRANSMISSION
6
10
3
2
11
25
26
4
23
24
16
12
3
5
17
19
3
7
3
8
9
14
1
21
7
13
15
18
20
22
FIT
1:1
100%

Артикул

Название

Примечание

Количество

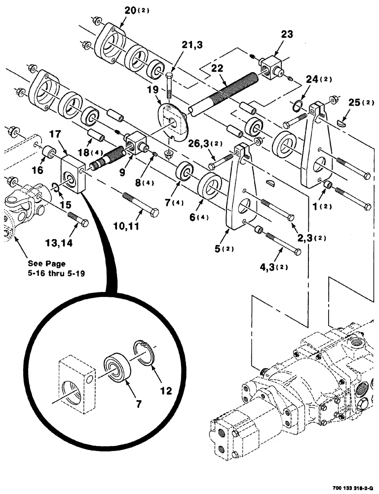
1

700134351

SPACER

2шт.

2

413-660

BOLT,Hex, 3/8" - 16 x 3-3/4", Gr 5

3/8-16 x 3-3/4 C

2шт.

3

232-5316

FLANGE NUT,Flg, 3/8"-16

3/8-16, HFTLN, GR/G

7шт.

4

413-664

BOLT,Hex, 3/8" - 16 x 4", Gr 5

3/8-16 x 4, C

2шт.

5

700134001

ARM

steering

2шт.

6

700715440

RUBBER BUSHING

rubber

4шт.

7

T39594

BALL BEARING,0.7505" ID x 1.7805" OD x 0.61"

cylindrical

5шт.

8

219-8

LUBE NIPPLE,1/4" - 28 NPTF

4шт.

9

700150377

TRUNNION

right hand thread

1шт.

10

413-864

BOLT,Hex, 1/2" - 13 x 4", Gr 5

1/2-13 x 4, C

1шт.

11

231-5348

FLANGE NUT,Flg, 1/2"-13

1/2-13, HFTLN, GR/G

1шт.

12

100-21175

SNAP RING,1.75", Int, #175

1шт.

13

413-732

BOLT,Hex, 7/16" - 14 x 2", Gr 5

7/16-14 x 2 C

1шт.

14

704452

SPRING

7/16-14, HFTLN

1шт.

15

100-1175

SNAP RING,#75, Ext

1шт.

16

6531362

BUSHING

SPACER

1шт.

17

700115630

BEARING ASSY

bearing, (Includes Refs. 7 and 12)

1шт.

18

700134006

SPACER

4шт.

19

700111145

DISC

WA

1шт.

20

700134002

BEARING ASSY,40 mm ID x 63.575 mm OD x 17.55 mm

bearing

2шт.

21

413-640

BOLT,Hex, 3/8" - 16 x 2-1/2", Gr 5

1шт.

22

700134003

SHAFT

steering

1шт.

23

700150376

TRUNNION

left hand thread

1шт.

24

100-1198

SNAP RING,#98, Ext

2шт.

25

126-117

WOODRUFF KEY,#91, 1/4" x 3/4", HT

2шт.

26

413-644

BOLT,Hex, 3/8" - 16 x 2-3/4", Gr 5

C

2шт.

Выбрано товаров: 26