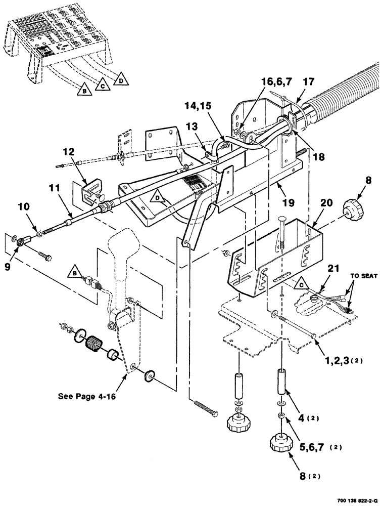
Запчасти Case IH 8880HP (04-014) - CONTROL FRAME AND STEERING CABLE ASSEMBLIES (55) - ELECTRICAL SYSTEMS

Схема запчастей Case IH 8880HP - (04-014) - CONTROL FRAME AND STEERING CABLE ASSEMBLIES (55) - ELECTRICAL SYSTEMS
19
7
3
6
8
18
1
17
13
21
7
16
6
10
12
4
9
8
5
2
15
11
20
14
FIT
1:1
100%

Артикул

Название

Примечание

Количество

1

413-580

BOLT,Hex, 5/16" - 18 x 5", Gr 5

2шт.

2

495-61034

WASHER,0.34" ID x 0.88" OD x 0.06" Thk

wide plain, 5/16

2шт.

3

232-5315

FLANGE NUT,Flg, 5/16"-18

5/16-18, HFTLN, GR/G

2шт.

4

700133486

SPACER

2шт.

5

433-664

CARRIAGE BOLT,Sq Nk, 3/8" - 16 x 4", Gr 5

3/8-16 x 4 RHSNB

2шт.

6

496-11028

WASHER,9/32" x 5/8" x .065, HDN

hardened plain, 3/8

3шт.

7

425-106

NUT,3/8"-16, Cl 5

3шт.

8

700715298

KNOB

fluted

3шт.

9

700710788

TRACK ROD END

bearing rod

1шт.

10

425-115

NUT,5/16"-24, G5

1шт.

11

700715306

CABLE

ground speed

1шт.

12

700133484

MOUNTING CLIP

ground speed

1шт.

13

515-23254

CLAMP,1", Insul, 3/8" Bolt

1шт.

14

121-115

SERRATED BOLT,Hex, 5/16" - 18 x 3/4"

1шт.

15

231-5145

SERRATED NUT,Flg, USR, 5/16"-18

1шт.

16

433-612

CARRIAGE BOLT,Sq Nk, 3/8" - 16 x 3/4", Gr 5

1шт.

17

306132C1

CABLE TIE,14.5" L

CABLE STRAP tie

1шт.

18

248-21114

GROMMET,1 1/2" ID x 1 3/4" Groove Dia

1шт.

19

700133463

SUPPORT

WA, console

1шт.

20

700133476

CHANNEL

WA, console

1шт.

21

L18337

CABLE TIE,9.95"-12.1" lg

CABLE STRAP cable tie

1шт.

Выбрано товаров: 21