Качественные детали и логистика
Оригинальные и аналоговые запчасти с доставкой по России, Казахстану и Беларуси
©2022 PartSell ООО "Система" ИНН 2463123282 ОГРН 1212400004838
Центральный офис: г. Красноярск, Академика Киренского, д.87, пом.4
Телефон: 8 (800) 777-65-74 Email: zakaz@partsell.ru
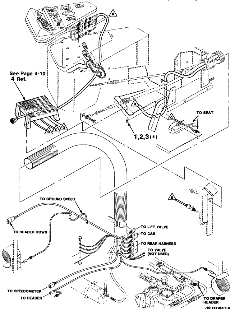
(04-018) - CONSOLE WIRING HARNESS ASSEMBLY - UPPER (8880HP)
№
Артикул
Название
Примечание
Количество
1
225-14110
NUT,#10-24
4шт.
2
495-31022
WASHER,#10
3
440-11012
SCREW,Cross Pan Hd, #10-24 x 3/4"
GR60M
4
700726170
HARNESS
wire
1шт.
Выбрано товаров: 0