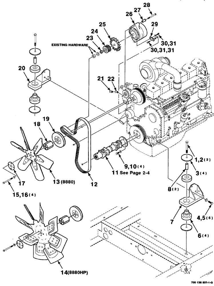
Запчасти Case IH 8880HP (02-002) - ENGINE MOUNTING, FAN & ALTERNATOR ASSEMBLIES (FRONT) (10) - ENGINE

Схема запчастей Case IH 8880HP - (02-002) - ENGINE MOUNTING, FAN & ALTERNATOR ASSEMBLIES (FRONT) (10) - ENGINE
2
18
6
20
4
5
26
7
31
15
31
22
23
28
16
25
30
12
8
1
10
21
13
24
17
14
29
3
19
27
30
9
11
31
FIT
1:1
100%

Артикул

Название

Примечание

Количество

1

2700064

SCREW

1/2-13 x 4-1/2 C, GR 8

2шт.

2

231-5348

FLANGE NUT,Flg, 1/2"-13

1/2-13, HFTLN, GR/G

2шт.

3

700130186

WASHER

4шт.

4

628-12035

BOLT,Hex, M12 x 1.75 x 35mm, Cl 10.9, Full Thd

6шт.

5

895-11012

WASHER,13.5mm ID x 24mm OD x 2.5mm Thk

6шт.

6

700713434

MOUNTING PARTS

motor

4шт.

7

700130108

MOUNTING PARTS

WA-left

1шт.

8

700129071

BUSHING

2шт.

9

413-716

BOLT,Hex, 7/16" - 14 x 1", Gr 5

4шт.

10

496-21047

WASHER

hardened plain, 7/16

4шт.

11

700713375

YOKE

UNIVERSAL JOINT YOKE ASSEMBLY

1шт.

12

J911561

BELT,27.92mm W x 1663.7mm L, 8 Ribs

S.N. CFH0155001 thru CFH0155349

1шт.

12

J911580

V-BELT,27.92mm W x 1739.90mm L, 8 Ribs

S.N. CFH0155350 and Later

1шт.

13

700718920

FAN

(8880)

1шт.

14

700726154

FAN

(8880 HP)

1шт.

15

700708765

BOLT

M10 x 1.5 x 115, C

4шт.

16

896-12010

WASHER,11mm ID x 21mm OD x 2.5mm Thk

hardened, special, 10

4шт.

17

700133970

SPACER

1шт.

18

A184524

SPACER

fan

1шт.

19

A189155

PULLEY

sheave

1шт.

20

700130109

MOUNTING PARTS

WA-right

1шт.

21

217-153

FITTING,5/8" Hose Barb x 1/2" Male NPTF

insert, hose

1шт.

22

137894

ELBOW,45 Degree, 1/2" NPT Street

elbow, street, 45°

1шт.

23

J908563

RETAINER

pulley

1шт.

24

J908560

PULLEY

alternator

1шт.

25

221425R1

FAN

alternator

1шт.

26

700716128

ALTERNATOR

95 AMP

1шт.

27

J902469

SPACER

1шт.

28

7771975

SCREW,Hex, M10 x 100mm, Cl 8.8

M10 x 1.5 x 100 C

1шт.

29

700117858

STRAP

(S.N. CFH0155001 thru CFH0155349)

1шт.

29

700134325

STRAP

(S.N. CFH0155350 and Later)

1шт.

30

614-8025

BOLT,Hex, M8 x 1.25 x 25mm, Cl 8.8, Full Thd

C

2шт.

31

895-11008

WASHER,9mm ID x 16mm OD x 1.6mm Thk

3шт.

Выбрано товаров: 33