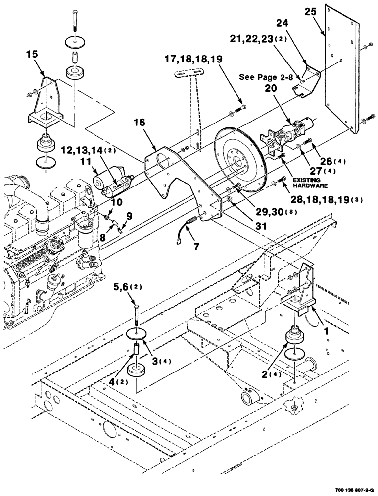
Запчасти Case IH 8880HP (02-006) - ENGINE MOUNTING, FLYWHEEL & STARTER ASSEMBLIES (REAR) (10) - ENGINE

Схема запчастей Case IH 8880HP - (02-006) - ENGINE MOUNTING, FLYWHEEL & STARTER ASSEMBLIES (REAR) (10) - ENGINE
7
12
14
25
4
23
31
16
26
19
30
8
17
21
18
10
2
18
11
19
3
5
22
27
6
13
9
28
18
20
15
24
29
18
1
FIT
1:1
100%

Артикул

Название

Примечание

Количество

1

700130110

MOUNTING PARTS

WA-LT, rear

1шт.

2

700713434

MOUNTING PARTS

motor

4шт.

3

700130186

WASHER

4шт.

4

700129071

BUSHING

2шт.

5

2700064

SCREW

1/2-13 x 4-1/2, C, GR 8

2шт.

6

231-5348

FLANGE NUT,Flg, 1/2"-13

1/2-13, HFTLN, GR/G

2шт.

7

700706398

SENSOR

PTO

1шт.

8

137894

ELBOW,45 Degree, 1/2" NPT Street

elbow, street 45°

1шт.

9

217-153

FITTING,5/8" Hose Barb x 1/2" Male NPTF

insert, hose

1шт.

10

217-1031

REDUCER,3/4" - 14 NPT x 1/2" - 14 NPT

bushing, reducing

1шт.

11

700708239

STARTING MOTOR

1шт.

12

7771728

SCREW

M10 x 1.5 x 40, C

2шт.

14

825-1410

NUT,M10, Cl 8

2шт.

15

700130111

MOUNTING PARTS

WA-RT, rear

1шт.

16

700117898

LARGE PLATE

PLATE, LARGE rear

1шт.

17

413-836

BOLT,Hex, 1/2" - 13 x 2-1/4", Gr 5

1шт.

18

705541

WASHER,0.53" ID x 1.06" OD x 0.14" Thk

hardened plain, 1/2

8шт.

19

425-108

NUT,1/2" - 13, Gr 5

4шт.

20

700713374

YOKE

UNIVERSAL JOINT YOKE ASSEMBLY

1шт.

21

433-612

CARRIAGE BOLT,Sq Nk, 3/8" - 16 x 3/4", Gr 5

2шт.

22

496-11028

WASHER,9/32" x 5/8" x .065, HDN

hardened plain, 3/8

2шт.

23

425-106

NUT,3/8"-16, Cl 5

2шт.

24

700136864

SUPPORT

1шт.

25

700136863

CHANNEL

air cleaner

1шт.

26

700708551

CAPSCREW,M12 x 1.25 x 40mm, Cl 12.9

M12 x 1.25 x 40, C, C12.9

4шт.

27

700708548

WASHER

M12, hardened, special

4шт.

28

413-824

BOLT,Hex, 1/2" - 13 x 1-1/2", Gr 5

3шт.

29

628-12035

BOLT,Hex, M12 x 1.75 x 35mm, Cl 10.9, Full Thd

8шт.

30

895-11012

WASHER,13.5mm ID x 24mm OD x 2.5mm Thk

8шт.

31

425-1512

JAM NUT,Jam, 3/4"-10, G5

3/4-16, HJN, GR 2

1шт.

13

895-11010

WASHER,11mm ID x 20mm OD x 2mm Thk

2шт.

Выбрано товаров: 31