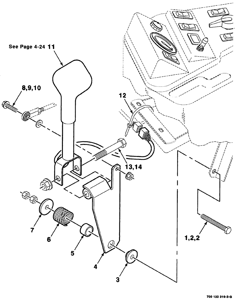
Запчасти Case IH 8880HP (04-022) - CONTROL HANDLE AND MOUNTING ASSEMBLY (33) - BRAKES & CONTROLS

Схема запчастей Case IH 8880HP - (04-022) - CONTROL HANDLE AND MOUNTING ASSEMBLY (33) - BRAKES & CONTROLS
7
3
10
14
9
8
5
2
6
13
12
2
1
11
4
FIT
1:1
100%

Артикул

Название

Примечание

Количество

1

113-210

BOLT,Hex, 3/8" - 16 x 3", Gr 5, Full Thd

1шт.

2

425-106

NUT,3/8"-16, Cl 5

2шт.

3

700705555

BUSHING

1шт.

4

700133572

PLATE

WA-adapter

1шт.

5

700111115

SPACER

1шт.

6

700709793

SPRING

compression

1шт.

7

411579

WASHER

1шт.

8

163-41

SCREW,Sl Hex Wshr Hd, 5/16" - 18 x 1 1/4"

5/16-18 x 1-1/4, HWHMS

1шт.

9

496-21034

WASHER,11/32" x 11/16" x 0.89", HDN

1шт.

10

232-5315

FLANGE NUT,Flg, 5/16"-18

5/16-18, HFTLN, GR/G

1шт.

11

700715312

HANDLE

ASSEMBLY, case, IH

1шт.

12

L18337

CABLE TIE,9.95"-12.1" lg

CABLE STRAP cable tie

1шт.

13

413-852

BOLT,Hex, 1/2" - 13 x 3-1/4", Gr 5

1/2-13 x 3-1/4 C

1шт.

14

231-5348

FLANGE NUT,Flg, 1/2"-13

1/2-13, HFTLN, GR/G

1шт.

Выбрано товаров: 14