Запчасти Case IH WD1203 (18.16) - DIA, AUXILIARY ENGINE-MOUNTED HYDRAULIC DRIVE KIT FOR SICKLE HEADER AUTO REEL SPEED (18) - ACCESSORIES

Схема запчастей Case IH WD1203 - (18.16) - DIA, AUXILIARY ENGINE-MOUNTED HYDRAULIC DRIVE KIT FOR SICKLE HEADER AUTO REEL SPEED (18) - ACCESSORIES
6
14
19
12
10
3
2
11
21
21
13
6
a
16
a
5
20
9
18
4
1
17
2
3
4
16
10
15
12.01
5
7
07.01(1)
8
FIT
1:1
100%

Артикул

Название

Примечание

Количество

1

87629026

KIT

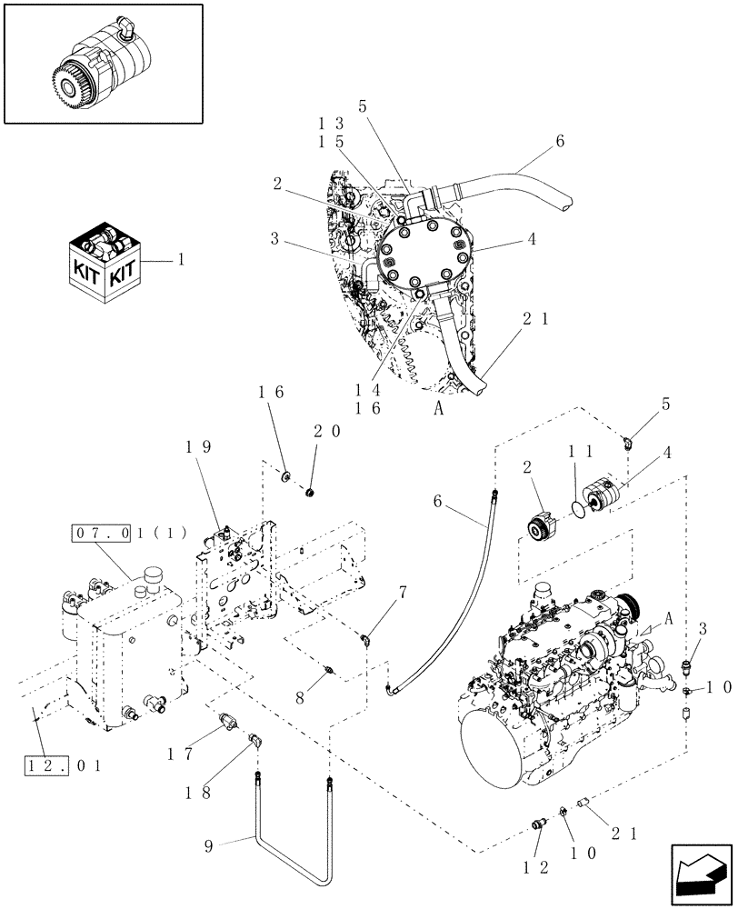
Engine -Mounted Auxiliary Hydraulic Drive, Includes: Ref. 2 - 21 & Installation Instructions

1шт.

Refer to Installation Instructions for Correct Assembly Procedure.

1шт.

2

84272202

PTO

1шт.

3

87027931

NIPPLE

1шт.

4

87050689

HYDRAULIC PUMP,22.8 CC

1шт.

5

9617891

ELBOW,90 Degree, 3/4" - 16 JIC x 7/8" - 14 ORB

1шт.

6

84130833

HOSE

1шт.

7

128830

90 ELBOW,3/4" - 16 JIC x 3/4" - 16 ORB

1шт.

8

128818

UNION,3/4" - 16 ORB x 3/4" - 16 JIC

1шт.

9

87043285

HOSE ASSY.

1шт.

10

513309

HOSE CLAMP,1-1/16” - 2”, Worm Gear

2шт.

11

272310

O-RING,0.07" Thk x 3.239" ID, -42, Cl 5, 75 Duro

1шт.

12

217-179

FITTING,1" Hose Barb x 1-5/16" - 12 Male ORB

1шт.

13

86511099

HEX SOC SCREW,M12 x 50mm, Cl 12.9, Full Thd

2шт.

14

86566100

HEX SOC SCREW,M10 x 35mm, Cl 12.9, Full Thd

2шт.

15

140046

BELLEVILLE WASHER,M12 Bolt Size x 27mm OD x 1.8mm Thk

2шт.

16

140045

BELLEVILLE WASHER,M10 Bolt Size x 22mm OD x 1.6mm Thk

4шт.

17

86624131

TEE,37 Degree, 1 1/16"-12, 1 5/16"-12 O-Ring Run, 1 1/16"-12

1шт.

18

86624011

ELBOW,90 Degree, 3/4"-16, 37 Degree x 1 1/16"-12, 37 Degree Fem Sw

1шт.

19

86977332

HYDRAULIC VALVE

1шт.

20

86521606

FLANGE NUT,Hex, 3/8" - 16, Gr 5

2шт.

21

87032237

HOSE,1.00" ID x 44.00", SAE 100R4

1шт.

Выбрано товаров: 22