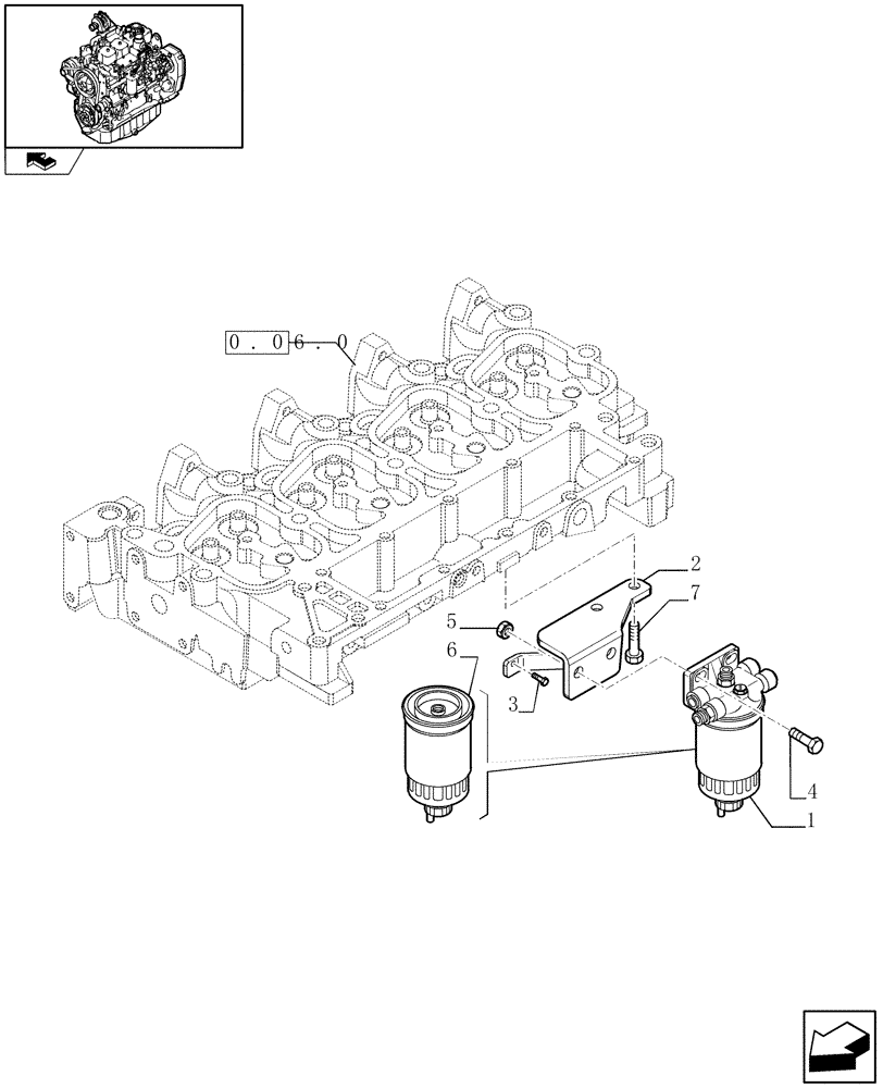
Запчасти Case IH WD1203 (0.20.0) - FUEL FILTER (2852097) (01) - ENGINE

Схема запчастей Case IH WD1203 - (0.20.0) - FUEL FILTER (2852097) (01) - ENGINE
home
4
0.06.0
1
2
5
3
6
7
FIT
1:1
100%

Артикул

Название

Примечание

Количество

1

2852098

FILTER ASSY

- ASSY

1шт.

2

2855103

SUPPORT

1шт.

3

4899068

BOLT,Flng, M8 x 1.25 x 16mm

1шт.

4

4899849

SCREW,Hex, M10 x 1.5 x 35mm

2шт.

5

4895166

FLANGE NUT,M10, 1.50mm Pitch, Cl 10

M10X1.5 mm

2шт.

6

84348882

FUEL FILTER,97mm OD x 184mm L, M16 x 1.5, 30 Microns

M10 Drain Port

1шт.

6

86555246

FUEL FILTER

M8 Drain Port

1шт.

7

2830411

BOLT,Flng, M8 x 1.25 x 30mm

2шт.

Выбрано товаров: 0