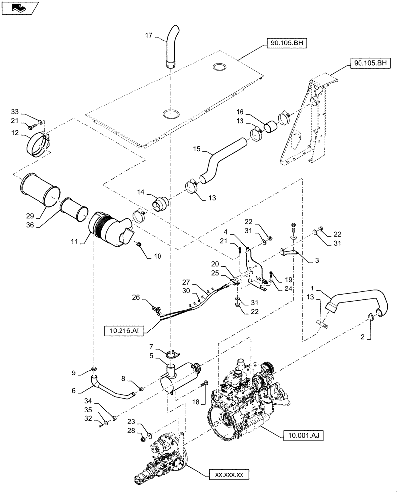
Запчасти Case IH WD1203 (10.254.AI[02]) - INTAKE ASSY, EXHAUST SYSTEM W/ MUFFLER, 4 CYLINDER (10) - ENGINE

Схема запчастей Case IH WD1203 - (10.254.AI[02]) - INTAKE ASSY, EXHAUST SYSTEM W/ MUFFLER, 4 CYLINDER (10) - ENGINE
22
xx.xxx.xx
7
90.105.bh
4
16
33
13
34
90.105.bh
19
2
1
25
11
14
home
8
31
18
24
26
3
10.001.aj
31
35
29
21
27
23
5
13
21
22
6
32
15
22
10
36
12
28
17
10.216.ai
20
9
30
13
31
FIT
1:1
100%

Артикул

Название

Примечание

Количество

1

87366633

FLEXIBLE HOSE

Airbox To Engine

1шт.

2

381144

HOSE CLAMP,84.1mm - 107.9mm, Worm Gear

1шт.

3

87025864

SUPPORT ASSY.

1шт.

4

87545048

SUPPORT ASSY.

1шт.

5

87683534

MUFFLER,Aspirated

1шт.

6

86974109

HOSE,25.40 mm ID, 50.80 mm ID x 875.00 mm, SAE J200

Exhaust Scavenge

1шт.

7

86511573

CLAMP,3-5/8”

1шт.

8

514920

HOSE CLAMP,20.6mm - 38.1mm, Worm Gear

1шт.

9

45014

HOSE CLAMP,2.06” - 3” , Worm Gear

1шт.

10

87013666

SWITCH,Air Filter Restriction

1шт.

11

87047326

AIR CLEANER

Complete, See Ref 29 And 36 For Service Filters. No Other Service Parts Available

1шт.

12

87047322

BRACKET

1шт.

13

9706924

HOSE CLAMP,103.1mm - 127mm

5шт.

14

87047481

HOSE,101.6 mm ID, 114.3 mm ID x 152.4 mm, SAE J200 3CA 710

1шт.

15

86638089

TUBE,101.60 mm OD x 939.90, 262.30 mm L

Airbox to Frame

1шт.

16

87031908

HYD CONNECTOR

1шт.

17

87057491

EXHAUST SYSTEM PIPE

1шт.

18

88682

CARRIAGE BOLT,Short Nk, 3/8"-16 x 1", Gr 5

1шт.

19

9804266

BOLT,Hex, M12 x 25mm, Cl 8.8, Full Thd

2шт.

20

87872

BOLT,Hex, 5/16" - 18 x 3/4", Gr 5

1шт.

21

86521612

BOLT,Hex, 5/16" - 18 x 1 1/4", Gr 5

3шт.

22

86521605

FLANGE NUT,5/16"-18, Cl 5

5шт.

23

140045

BELLEVILLE WASHER,M10 Bolt Size x 22mm OD x 1.6mm Thk

1шт.

24

140046

BELLEVILLE WASHER,M12 Bolt Size x 27mm OD x 1.8mm Thk

2шт.

25

578070

CLAMP,19mm, Coat, 8.7mm Bolt Hole, P Type

1шт.

26

84484346

STRAP,328mm L

1шт.

27

87580075

CONDUIT

Cut From Bulk

1шт.

28

86521606

FLANGE NUT,Hex, 3/8" - 16, Gr 5

1шт.

29

87682990

AIR FILTER,Primary, 105.9mm ID x 207.6mm OD x 409.5mm L

Primary Element

1шт.

30

529070

CABLE TIE,368.3mm L

6шт.

31

322358

BELLEVILLE WASHER,M8 Bolt Size x 18mm OD x 1.4mm Thk

4шт.

32

43128

BOLT,M8 x 1.25 x 30mm, Cl 8.8

3шт.

33

87033737

WASHER,9mm ID x 28mm OD x 3mm Thk

2шт.

34

87035448

SPACER,8.48mm ID x 12.7mm OD x 12.7mm L

3шт.

35

80681

LOCK WASHER,5/16"

3шт.

36

87683000

AIR FILTER,Safety, 108.5mm OD x 403.1mm L

Secondary Element

1шт.

Выбрано товаров: 36