Запчасти Case IH WD1203 (10.310.AA) - INTERCOOLER (10) - ENGINE

Схема запчастей Case IH WD1203 - (10.310.AA) - INTERCOOLER (10) - ENGINE
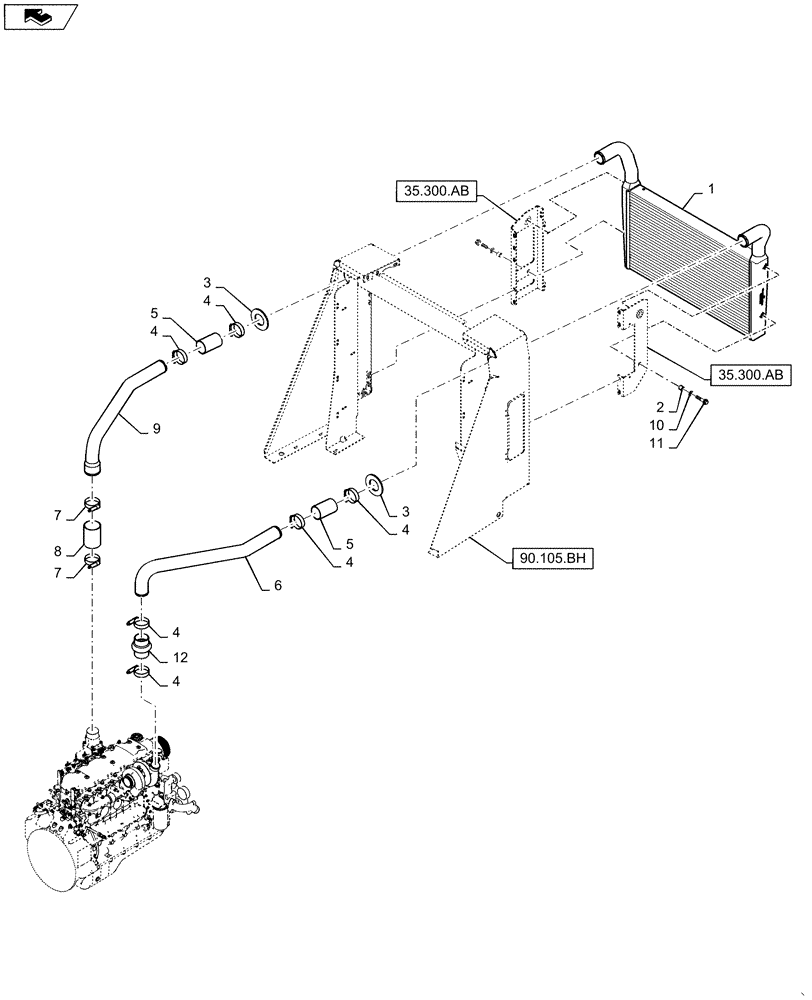
35.300.ab
4
90.105.bh
12
3
5
2
9
home
11
4
35.300.ab
4
5
4
1
10
7
6
4
4
7
8
3
FIT
1:1
100%

Артикул

Название

Примечание

Количество

1

87340510

INTERCOOLER

1шт.

1

87340512

INTERCOOLER

1шт.

2

86636799

SPACER,10.3mm ID x 19.05mm OD x 19.05mm L

2шт.

3

87588621

FOAM

2шт.

4

86014159

HOSE CLIP

6шт.

5

87359706

HOSE,63.50 mm ID x 110.00 mm

2шт.

6

87365617

AIR INTAKE TUBE,63.5 mm OD x 757.3, 87.3 mm L

Hot Side From Turbo To Intercooler

1шт.

6

87364253

AIR INTAKE TUBE,63.5 mm OD x 630.3, 142.1 mm L

Hot Side From Turbo To Intercooler

1шт.

7

87041091

HOSE CLAMP,3.06" - 3.37"

2шт.

8

86623661

FLEXIBLE HOSE,76.20 mm ID x 110.00 mm, SAE J20 Class A

1шт.

9

87365620

TUBE,63.5 mm OD

Cold Side From Intercooler To Intake

1шт.

9

87364258

TUBE,60.5 mm ID x 63.5 mm OD x 658.8, 190.9 mm L

Cold Side From Intercooler To Intake

1шт.

10

80702

WASHER,0.44" ID x 1" OD x 0.08" Thk

2шт.

11

280523

BOLT,Hex, 3/8" - 16 x 1 1/4", Gr 5

2шт.

12

9821610

HOSE,63.50 mm ID x 101.60 mm

1шт.

12

9848337

HOSE,50.8 mm ID, 63.50 mm ID x 101.60 mm

1шт.

Выбрано товаров: 16