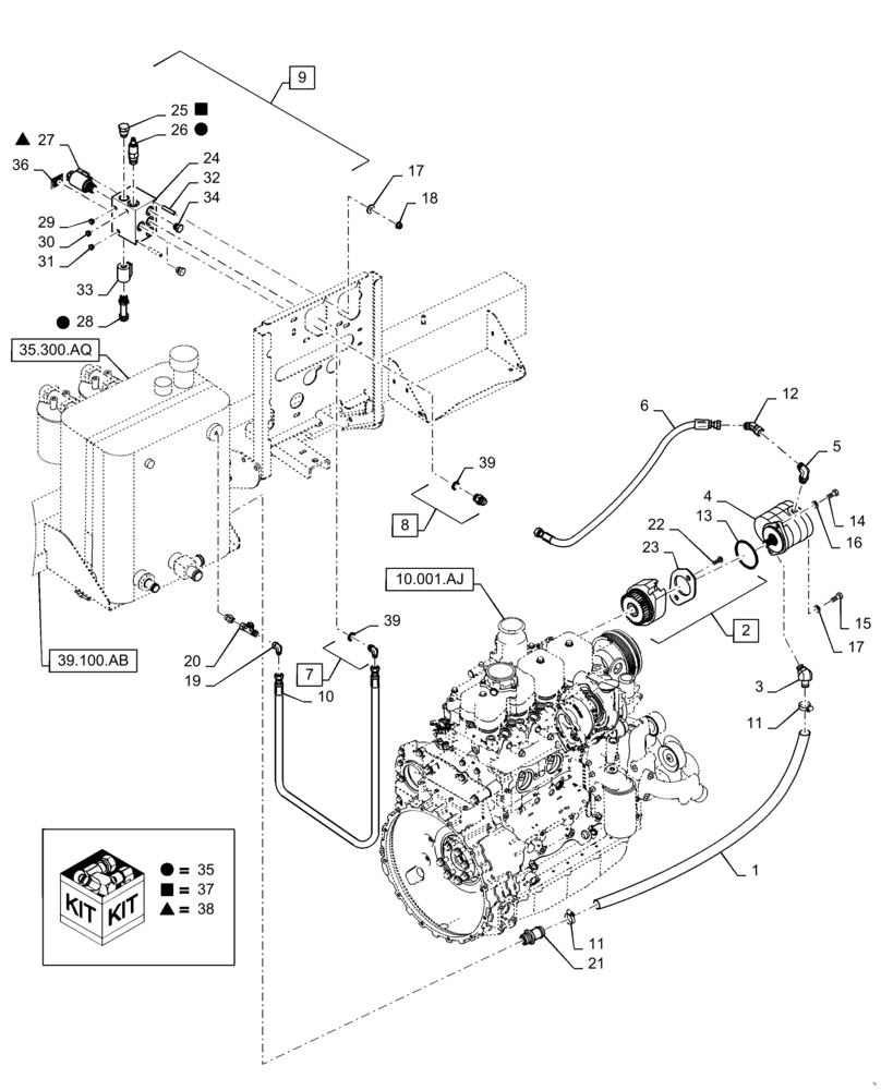
Запчасти Case IH WD1203 (35.220.AC) - AUXILIARY DRIVE, HYDRAULIC REEL, 4 CYLINDER MODELS (35) - HYDRAULIC SYSTEMS

Схема запчастей Case IH WD1203 - (35.220.AC) - AUXILIARY DRIVE, HYDRAULIC REEL, 4 CYLINDER MODELS (35) - HYDRAULIC SYSTEMS
36
25
5
10
37
1
21
14
9
39
38
7
13
11
17
35.300.aq
10.001.aj
32
28
4
35
38
24
37
31
35
17
34
39.100.ab
20
2
37
33
38
23
35
39
19
26
6
8
30
3
16
15
11
18
12
27
22
35
29
FIT
1:1
100%

Артикул

Название

Примечание

Количество

1

87032237

HOSE,1.00" ID x 44.00", SAE 100R4

Pump To Reservoir

1шт.

2

84272202

PTO

Incl 22 - 23

1шт.

3

217-309

FITTING,45 Degree Elbow, 1" Hose Barb x 1-1/16" - 12 Male ORB

1шт.

4

87050689

HYDRAULIC PUMP,22.8 CC

22CC

1шт.

5

9617891

ELBOW,90 Degree, 3/4" - 16 JIC x 7/8" - 14 ORB

1шт.

6

87032603

HOSE ASSY.

Pump To Aux Valve

1шт.

7

128830

90 ELBOW,3/4" - 16 JIC x 3/4" - 16 ORB

Incl 39

1шт.

8

128818

UNION,3/4" - 16 ORB x 3/4" - 16 JIC

Incl 39

1шт.

9

86977332

HYDRAULIC VALVE

Aux Control Valve, Incl 24

1шт.

10

87043285

HOSE ASSY.

Aux Valve To Reservoir

1шт.

11

513309

HOSE CLAMP,1-1/16” - 2”, Worm Gear

2шт.

12

248992

45 ELBOW,45 Degree, 3/4"-16, 37 Degree x 3/4"-16, 37 Degree Fem Sw

1шт.

13

27310

SPRING

1шт.

14

86511099

HEX SOC SCREW,M12 x 50mm, Cl 12.9, Full Thd

2шт.

15

86566100

HEX SOC SCREW,M10 x 35mm, Cl 12.9, Full Thd

2шт.

16

140046

BELLEVILLE WASHER,M12 Bolt Size x 27mm OD x 1.8mm Thk

2шт.

17

140045

BELLEVILLE WASHER,M10 Bolt Size x 22mm OD x 1.6mm Thk

4шт.

18

86521606

FLANGE NUT,Hex, 3/8" - 16, Gr 5

2шт.

19

86624011

ELBOW,90 Degree, 3/4"-16, 37 Degree x 1 1/16"-12, 37 Degree Fem Sw

1шт.

20

265978

TEE,1-1/16" - 12 JIC x 1-1/16" - 12 JIC x 1-1/16" - 12 JIC

1шт.

21

217-179

FITTING,1" Hose Barb x 1-5/16" - 12 Male ORB

1шт.

22

16588324

SCREW,M12 x 45mm

Gasket

2шт.

23

4896897

GASKET,1.35mm Thk

Accessory Drive Cover

1шт.

24

NSS

NOT SOLD SEPARAT

Manifold, Order Complete Ref 9

1шт.

25

87024934

VALVE PRESSURE RELIE

Differential, Uses Ref 37 Seal Kit

1шт.

26

87024933

VALVE PRESSURE RELIE

Uses Ref 35 Seal Kit

1шт.

27

87024932

RESTRICTOR VALVE

Proportional, Uses Ref 38 Seal Kit

1шт.

28

86509018

CONTROL VALVE

Uses Ref 35 Seal Kit And Ref 33 Solenoid Coil

1шт.

29

87037029

PLUG

Zero Leak -2

3шт.

30

87037030

PLUG

Zero Leak -5

2шт.

31

87037031

PLUG

Zero Leak -6

1шт.

32

NSS

NOT SOLD SEPARAT

Threaded Stud, Order Complete Valve Ref 9

2шт.

33

87352779

SOLENOID

Coil, For Ref 28

1шт.

34

87038769

STOP PLUG

Zero Leak -8

2шт.

35

86508168

SEAL KIT

For Ref 26 and 28

1шт.

36

NSS

NOT SOLD SEPARAT

Decal, Order Complete Ref 9

1шт.

37

87024936

SEAL KIT

For Ref 25

1шт.

38

87024935

SEAL KIT

For Ref 27

1шт.

39

128825

O-RING,0.087" Thk x 0.644" ID, -908, Cl 6, 90 Duro

Incl 7, 8

2шт.

Выбрано товаров: 39