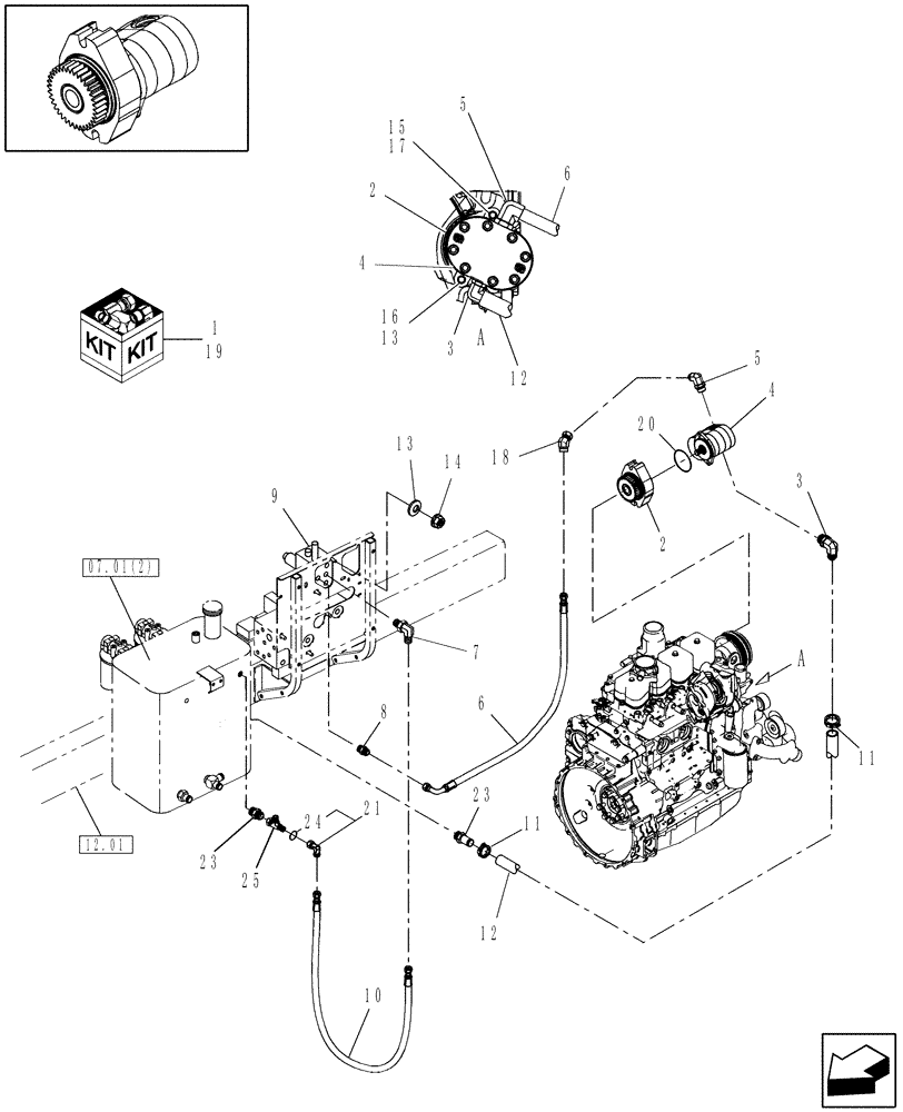
Запчасти Case IH WD1903 (07.10[2]) - AUXILIARY ENGINE-MOUNTED HYDRAULIC DRIVE (07) - HYDRAULICS

Схема запчастей Case IH WD1903 - (07.10[2]) - AUXILIARY ENGINE-MOUNTED HYDRAULIC DRIVE (07) - HYDRAULICS
10
6
14
19
in
2
p
16
24
1
12
11
15
3
out
5
25
6
21
a
9
4
18
23
07.01(2)
23
12
3
7
12.01
13
13
5
2
a
8
17
11
4
t
20
FIT
1:1
100%

Артикул

Название

Примечание

Количество

1

87629027

KIT

Engine-Mounted Auxiliary Hydraulic Drive, Includes: Ref. 2 - 18 & 20 - 23

1шт.

2

84272202

PTO

Kit

1шт.

3

217-309

FITTING,45 Degree Elbow, 1" Hose Barb x 1-1/16" - 12 Male ORB

Includes: O-Ring

1шт.

3

167266

O-RING,0.116" Thk x 0.924" ID, -912, Cl 6, 90 Duro

1шт.

4

87050689

HYDRAULIC PUMP,22.8 CC

Gear, 22cc, Incluses: Ref. 19

1шт.

5

9617891

ELBOW,90 Degree, 3/4" - 16 JIC x 7/8" - 14 ORB

1шт.

5

167269

O-RING,0.097" Thk x 0.755" ID, -910, Cl 6, 90 Duro

1шт.

6

87032603

HOSE ASSY.

11/16" OD x 1/2" ID x 50" Long

1шт.

7

128830

90 ELBOW,3/4" - 16 JIC x 3/4" - 16 ORB

1шт.

7

128825

O-RING,0.087" Thk x 0.644" ID, -908, Cl 6, 90 Duro

1шт.

8

128818

UNION,3/4" - 16 ORB x 3/4" - 16 JIC

Includes: O-Ring

1шт.

8

128825

O-RING,0.087" Thk x 0.644" ID, -908, Cl 6, 90 Duro

1шт.

9

86977332

HYDRAULIC VALVE

Auxiliary

1шт.

10

87043285

HOSE ASSY.

25/32" OD x 1/2" ID x 47" Long

1шт.

11

513309

HOSE CLAMP,1-1/16” - 2”, Worm Gear

#24

2шт.

12

87032237

HOSE,1.00" ID x 44.00", SAE 100R4

1шт.

13

140045

BELLEVILLE WASHER,M10 Bolt Size x 22mm OD x 1.6mm Thk

4шт.

14

86521606

FLANGE NUT,Hex, 3/8" - 16, Gr 5

2шт.

15

86511099

HEX SOC SCREW,M12 x 50mm, Cl 12.9, Full Thd

2шт.

16

86566100

HEX SOC SCREW,M10 x 35mm, Cl 12.9, Full Thd

2шт.

17

140046

BELLEVILLE WASHER,M12 Bolt Size x 27mm OD x 1.8mm Thk

2шт.

18

248992

45 ELBOW,45 Degree, 3/4"-16, 37 Degree x 3/4"-16, 37 Degree Fem Sw

1шт.

19

87340205

SEAL KIT

Services Ref. 4

1шт.

20

272310

O-RING,0.07" Thk x 3.239" ID, -42, Cl 5, 75 Duro

1шт.

21

87021824

90 ELBOW,90 Degree, 1 1/16"-12, 37 Degree x 1 5/16"-12, O-Ring

Includes: Ref. 24

1шт.

P.I.N. Y8N661151 & Prior

1шт.

21

86624011

ELBOW,90 Degree, 3/4"-16, 37 Degree x 1 1/16"-12, 37 Degree Fem Sw

1шт.

P.I.N. Y8G661152 & After

1шт.

22

217-179

FITTING,1" Hose Barb x 1-5/16" - 12 Male ORB

1шт.

23

86550731

REDUCER

1шт.

P.I.N. Y8N661151 & Prior

1шт.

23

233705

HYD CONNECTOR,1-5/16" - 12 ORB x 1-1/16" - 12 JIC

Includes: Ref. 24

1шт.

24

167268

O-RING,0.116" Thk x 1.171" ID, -916, Cl 6, 90 Duro

2шт.

25

265978

TEE,1-1/16" - 12 JIC x 1-1/16" - 12 JIC x 1-1/16" - 12 JIC

1шт.

Выбрано товаров: 34