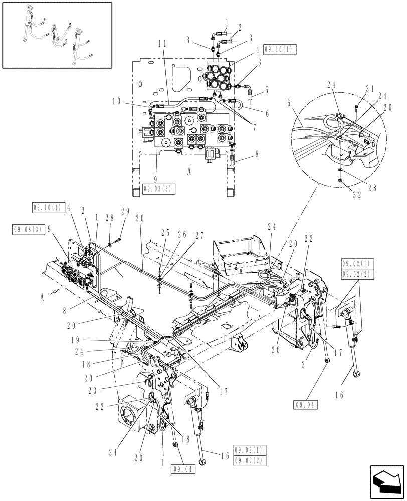
Запчасти Case IH WD1903 (09.07[1]) - DRAPER HYDRAULICS (09) - HEADER LIFT LINKAGE

Схема запчастей Case IH WD1903 - (09.07[1]) - DRAPER HYDRAULICS (09) - HEADER LIFT LINKAGE
26
20
10
24
2
28
25
1
5
3
23
4
19
2
3
09.04
09.03(3)
09.04
8
5
1
16
20
9
3
09.02(1)
09.10(1)
09.02(2)
09.02(1)
09.10(1)
09.08(3)
09.02(2)
28
7
22
6
22
4
27
1
9
24
a
20
20
20
24
17
a
24
31
11
20
17
2
21
32
29
16
20
8
18
18
FIT
1:1
100%

Артикул

Название

Примечание

Количество

1

87054719

HOSE ASSY.

11/16" OD x 3/8" ID x 141" Long

1шт.

2

87054718

HOSE ASSY.

11/16" OD x 3/8" ID x 166" Long

1шт.

3

76350

HYD CONNECTOR,9/16" - 18 ORB x 9/16" - 18 JIC

3шт.

4

87572951

VALVE

Draper Control

1шт.

5

87043583

HOSE ASSY.

21/32" OD x 3/8" ID x 144" Long

1шт.

6

87055315

HOSE,0.38" ID x 18.00"

1шт.

7

76344

90 ELBOW,9/16" - 18 JIC x 9/16" - 18 ORB

2шт.

8

87054720

HOSE ASSY.

5/8" OD x 3/8" ID x 76" Long

1шт.

9

0C

ORDER COMPONENTS

Draper Independent

1шт.

10

86629586

90 ELBOW,9/16" - 18 JIC x 9/16" - 18 Fem Sw

1шт.

11

87058225

HOSE,0.38" ID x 16.00", SAE 100R16

1шт.

12

264654

FITTING,Blkhd, 3/4"-16, 37 Degree x 3/4"-16, 37 Degree

1шт.

13

9601709

HYD CONNECTOR

1шт.

14

87036368

DUST CAP

Black

1шт.

15

87050045

COUPLING, QUICK, FEM

1шт.

16

87547927

HYDRAULIC CYLINDER,Double Acting, 31.75mm Rod, 266.7mm Stroke

Draper, 2.75" x 10.50"

2шт.

16

84377916

HYDRAULIC CYLINDER,Double Acting, 31.6mm Rod, 266.7mm Stroke

Draper, 2.75" x 10.50"

2шт.

Replaces 87547927, Has 3.25" OD Eye On Rod End

1шт.

17

87054721

HOSE ASSY.

5/8" OD x 3/8" ID X 136" Long

1шт.

18

87054722

HOSE,0.38" ID x 54.50", SAE 100R6

1шт.

19

76355

TEE,9/16" - 18 JIC x 9/16" - 18 JIC x 9/16" - 18 JIC

1шт.

20

263117

CABLE TIE,292.1mm L, Nylon, Black

CABLE STRAP

10шт.

21

87046143

SLEEVE

2шт.

22

86517966

EDGE,14mm W x 17mm H x 76200mm L

4шт.

23

291186

PROTECTION STRIP,9.9mm W

2шт.

24

86512388

CLAMP,19.05mm ID, 10.41mm Bolt Hole, P Type

3шт.

25

86564908

BOLT

2шт.

26

86564909

WASHER

2шт.

27

86563609

CLAMP

2шт.

28

140045

BELLEVILLE WASHER,M10 Bolt Size x 22mm OD x 1.6mm Thk

3шт.

29

9628510

BOLT,Hex, 3/8" - 16 x 3/4", Gr 5

2шт.

31

86521613

BOLT,Hex, 3/8" - 16 x 1", Gr 5

1шт.

32

86521606

FLANGE NUT,Hex, 3/8" - 16, Gr 5

1шт.

Выбрано товаров: 33