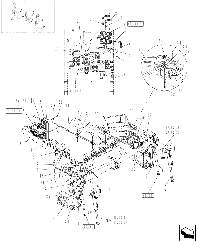
Запчасти Case IH WD1903 (09.07[2.1]) - DRAPER HYDRAULICS, FROM YCG667001 (09) - HEADER LIFT LINKAGE

Схема запчастей Case IH WD1903 - (09.07[2.1]) - DRAPER HYDRAULICS, FROM YCG667001 (09) - HEADER LIFT LINKAGE
1
20
10
09.02(1)
09.04
9
2
23
24
3
20
5
20
09.10(1)
17
11
20
20
09.02(2)
4
20
a
17
4
21
18
2
09.02(1)
32
26
09.02(2)
28
1
27
16
25
22
3
9
8
5
2
09.04
09.03(3)
16
3
1
09.10(1)
8
31
a
28
20
24
7
29
09.08(3)
18
24
6
24
19
22
FIT
1:1
100%

Артикул

Название

Примечание

Количество

1

87054719

HOSE ASSY.

11/16 OD x 3/8 ID x 141 Long.

1шт.

2

87054718

HOSE ASSY.

11/16 OD x 3/8 ID x 166 Long

1шт.

3

76350

HYD CONNECTOR,9/16" - 18 ORB x 9/16" - 18 JIC

3шт.

4

87572951

VALVE

Draper Control

1шт.

5

87043583

HOSE ASSY.

21/32 OD x 3/8 ID x 144 Long

1шт.

6

87055315

HOSE,0.38" ID x 18.00"

1шт.

7

76344

90 ELBOW,9/16" - 18 JIC x 9/16" - 18 ORB

2шт.

8

87486144

HOSE ASSY.

5/8 OD x 3/8 ID x 76 Long

1шт.

9

0C

ORDER COMPONENTS

Draper Independent

1шт.

10

86629586

90 ELBOW,9/16" - 18 JIC x 9/16" - 18 Fem Sw

1шт.

11

87058225

HOSE,0.38" ID x 16.00", SAE 100R16

1шт.

12

264654

FITTING,Blkhd, 3/4"-16, 37 Degree x 3/4"-16, 37 Degree

1шт.

13

9601709

HYD CONNECTOR

1шт.

14

87036368

DUST CAP

Black

1шт.

15

87050045

COUPLING, QUICK, FEM

1шт.

16

87547927

HYDRAULIC CYLINDER,Double Acting, 31.75mm Rod, 266.7mm Stroke

Draper, 2.75 x 10.50

2шт.

84377916

HYDRAULIC CYLINDER,Double Acting, 31.6mm Rod, 266.7mm Stroke

Draper, 2.75 x 10.50

2шт.

Replaces 87547927, Has 3.25

1шт.

17

87054721

HOSE ASSY.

5/8 OD x 3/8 ID X 136 Long

1шт.

18

87486143

HOSE ASSY.

1шт.

19

76355

TEE,9/16" - 18 JIC x 9/16" - 18 JIC x 9/16" - 18 JIC

1шт.

20

263117

CABLE TIE,292.1mm L, Nylon, Black

10шт.

21

87046143

SLEEVE

2шт.

22

86517966

EDGE,14mm W x 17mm H x 76200mm L

4шт.

23

291186

PROTECTION STRIP,9.9mm W

2шт.

24

86512388

CLAMP,19.05mm ID, 10.41mm Bolt Hole, P Type

3шт.

25

86564908

BOLT

2шт.

26

86564909

WASHER

2шт.

27

86563609

CLAMP

2шт.

28

140045

BELLEVILLE WASHER,M10 Bolt Size x 22mm OD x 1.6mm Thk

3шт.

29

9628510

BOLT,Hex, 3/8" - 16 x 3/4", Gr 5

2шт.

31

86521613

BOLT,Hex, 3/8" - 16 x 1", Gr 5

1шт.

32

86521606

FLANGE NUT,Hex, 3/8" - 16, Gr 5

1шт.

Выбрано товаров: 33