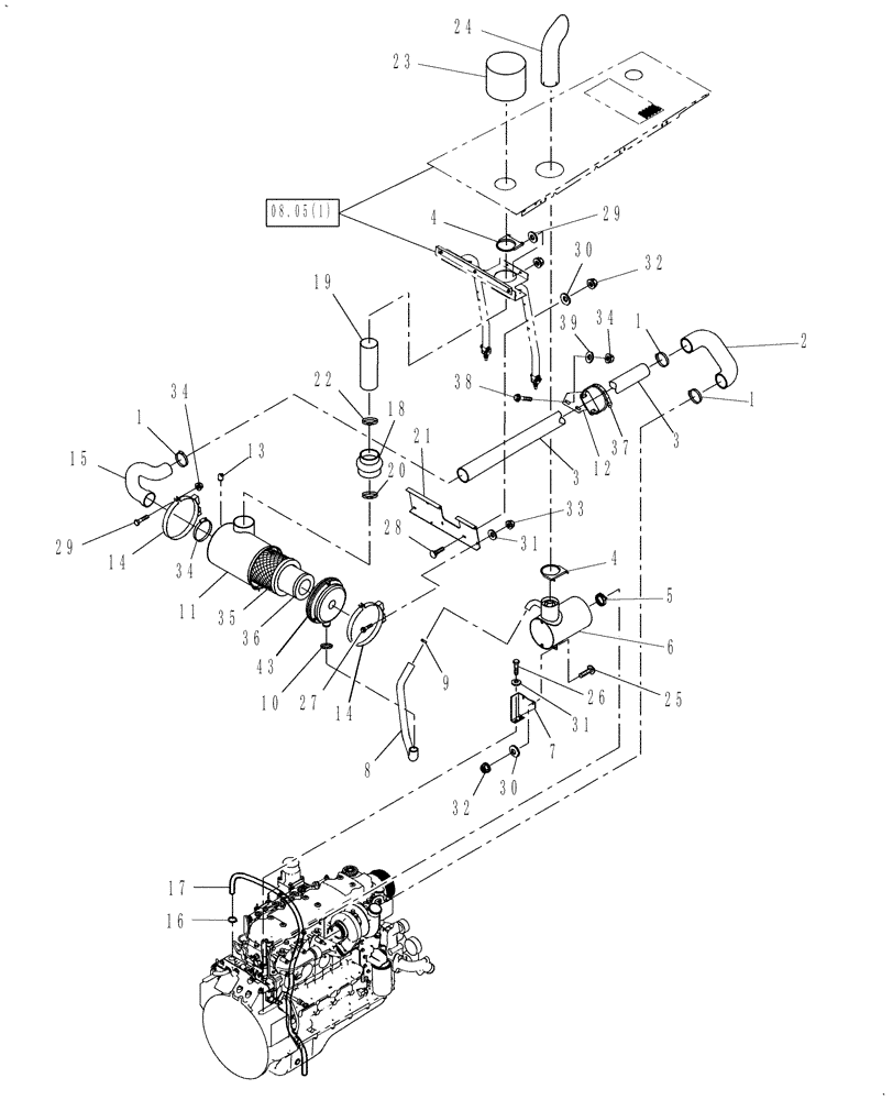
Запчасти Case IH WD1903 (02.05[1]) - AIR INTAKE, 13" AIR CLEANER & EXHAUST SYSTEM, 6 CYL (02) - ENGINE EQUIPMENT

Схема запчастей Case IH WD1903 - (02.05[1]) - AIR INTAKE, 13" AIR CLEANER & EXHAUST SYSTEM, 6 CYL (02) - ENGINE EQUIPMENT
4
9
15
1
11
25
28
26
39
5
23
34
30
34
34
33
6
29
21
14
31
13
3
4
22
29
7
32
43
38
8
1
36
1
35
27
16
3
14
24
32
18
17
20
19
12
31
30
37
10
2
08.05(1)
FIT
1:1
100%

Артикул

Название

Примечание

Количество

1

86637711

HOSE CLAMP,108mm - 130mm

3шт.

2

87358672

HOSE

, Years: -01-AUG-09

1шт.

2

84249970

INTAKE AIR HOSE,357.40 mm, SAE J200

With Spring, Start Year: 01-AUG-09

1шт.

84245654

SPRING

spring

1шт.

3

87739494

AIR INTAKE TUBE,101.6 mm OD x 820 mm L

1шт.

4

86534869

CLAMP

2шт.

5

855778

CLAMP

1шт.

6

87356887

MUFFLER

1шт.

7

87396947

BRACKET, SUPPORTING

1шт.

8

87618384

HOSE

1шт.

9

513309

HOSE CLAMP,1-1/16” - 2”, Worm Gear

1шт.

10

45014

HOSE CLAMP,2.06” - 3” , Worm Gear

1шт.

11

87343992

AIR CLEANER

Includes: Ref. 35 & 36

1шт.

12

87692528

BRACKET

1шт.

13

87013666

SWITCH,Air Filter Restriction

1шт.

14

87042086

CLAMP,330mm ID

2шт.

15

87738654

INTAKE AIR HOSE,101.60 mm ID x 246.00 mm, SAE J200

1шт.

15

84246412

INTAKE AIR HOSE,101.60 mm ID, 127.00 mm ID x 246.00 mm, SAE J200

Includes Spring, Start Year: 01-MAR-10, Start Serial: YAG662995

1шт.

84245654

SPRING

1шт.

This Spring Can also be added to Original Hose 87738654

1шт.

16

514920

HOSE CLAMP,20.6mm - 38.1mm, Worm Gear

1шт.

17

87473362

HOSE

1шт.

18

87043880

HOSE,125.7 mm ID, 151.1 mm ID"SAE J200

1шт.

19

87626148

TUBE,127 mm OD x 380 mm L

1шт.

20

858672

CLAMP

1шт.

21

87031703

CHANNEL

1шт.

22

86637707

HOSE CLAMP,#80, 4.62/5.50 Type F Worm, W/liner

1шт.

23

87359354

AIR PRE-CLEANER ASSY

1шт.

24

87041235

EXHAUST SYSTEM PIPE

1шт.

25

88682

CARRIAGE BOLT,Short Nk, 3/8"-16 x 1", Gr 5

2шт.

26

300388

BOLT,Hex, M12 x 1.75 x 25mm, Cl 8.8

2шт.

27

9628510

BOLT,Hex, 3/8" - 16 x 3/4", Gr 5

4шт.

28

280744

CARRIAGE BOLT,Sht Sq Nk, 3/8" - 16 x 2 1/2", Gr 5

4шт.

29

86620024

WASHER,10.3mm ID x 25.4mm OD x 5.2mm Thk

4шт.

30

140045

BELLEVILLE WASHER,M10 Bolt Size x 22mm OD x 1.6mm Thk

10шт.

31

140046

BELLEVILLE WASHER,M12 Bolt Size x 27mm OD x 1.8mm Thk

2шт.

32

86521606

FLANGE NUT,Hex, 3/8" - 16, Gr 5

10шт.

33

86521605

FLANGE NUT,5/16"-18, Cl 5

1шт.

34

86637712

HOSE CLAMP,133mm - 156mm

1шт.

35

87013225

ELEMENT

Primary

1шт.

36

87042094

ELEMENT

Safety

1шт.

39

88275

BOLT,Hex, 5/16" - 18 x 1 1/2", Gr 5

1шт.

40

86521552

BOLT,Hex, 5/16" - 18 x 3/4", Gr 5

2шт.

41

9706924

HOSE CLAMP,103.1mm - 127mm

1шт.

42

322358

BELLEVILLE WASHER,M8 Bolt Size x 18mm OD x 1.4mm Thk

2шт.

43

336943A1

COVER

Includes Latch

1шт.

44

86991370

O-RING,0.12" Width

Air Cleaner Cover

1шт.

Выбрано товаров: 47