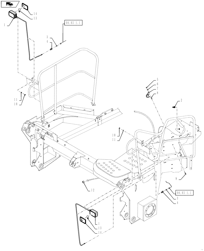
Запчасти Case IH WD1903 (06.02[1]) - ELECTRICAL, FRONT FRAME, FROM YCG667001 (06) - ELECTRICAL

Схема запчастей Case IH WD1903 - (06.02[1]) - ELECTRICAL, FRONT FRAME, FROM YCG667001 (06) - ELECTRICAL
3
10
4
06.03 1.1
1
5
6
3
4
13
11
06.03 1.1
11
2
14
9
14
12
home
10
1
13
8
7
FIT
1:1
100%

Артикул

Название

Примечание

Количество

1

87354282

LAMP

2шт.

2

82002966

POWER SOCKET,M18 x 1

1шт.

3

86500166

ELEC CONNECTOR

2шт.

4

225315C1

ELEC CONNECTOR,Male, 2 Pin

2шт.

5

86521605

FLANGE NUT,5/16"-18, Cl 5

1шт.

6

322358

BELLEVILLE WASHER,M8 Bolt Size x 18mm OD x 1.4mm Thk

1шт.

7

86617144

HORN

1шт.

8

86603097

SPACER

1шт.

9

281006

CARRIAGE BOLT,Sq Nk, 5/16" - 18 x 3", Gr 5

1шт.

10

80043416

NUT,M5

4шт.

11

322356

BELLEVILLE WASHER,M5 Bolt Size x 12mm OD x 1.85mm Thk

4шт.

12

84299293

SWITCH

1шт.

13

529068

BULB,#1156, 12V, 21W

1шт.

14

NSS

NOT SOLD SEPARAT

Lens, Part of Lamp

1шт.

Выбрано товаров: 14