Запчасти Case IH WD1903 (07.01[1]) - HYDRAULIC RESERVOIR, WD1203 (07) - HYDRAULICS

Схема запчастей Case IH WD1903 - (07.01[1]) - HYDRAULIC RESERVOIR, WD1203 (07) - HYDRAULICS
5
24
32
23
14
26
11
22
15
23
8
31
16
3
21
13
7
12
28
2
3
18
9
1
23
23
26
25
29
4
6
19
4
24
20
12
27
19
17
33
17
31
23
15
10
FIT
1:1
100%

Артикул

Название

Примечание

Количество

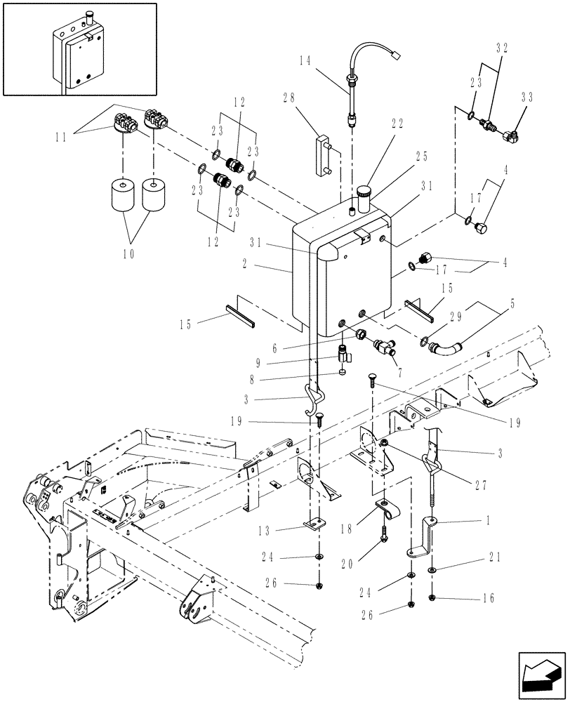
1

87618405

BRACKET

1шт.

2

87618163

OIL RESERVOIR

1шт.

3

87614313

STRAP

1шт.

4

273916

PLUG,Hex, 1-5/16" - 12 ORB

2шт.

P.I.N. Y8N661151 & Prior

1шт.

4

273916

PLUG,Hex, 1-5/16" - 12 ORB

1шт.

P.I.N. Y8G661152 & After

1шт.

5

598706

ELBOW

1шт.

6

87572270

ADAPTER

Includes: Ref. 30

1шт.

7

235067A1

TEE

1шт.

8

236622

PLUG,3/8" - 18 NPT

1шт.

9

86599520

RESTRICTOR VALVE

1шт.

10

84475541

HYDRAULIC OIL FILTER

2шт.

11

86514933

HOUSING

2шт.

12

86900019

PIPE FITTING

Includes: (2) Ref. 23

2шт.

13

87618403

ANGLE

1шт.

14

86550810

SWITCH

1шт.

15

291186

PROTECTION STRIP,9.9mm W

1шт.

16

86521609

FLANGE NUT,Flg, 3/8"-16

1шт.

17

86639046

O-RING,2.9mm Thk x 29.6mm ID, Cl 6, 90 Duro

2шт.

18

86000810

CLAMP,27mm, Coat, 13.5mm Bolt Hole, P Type

1шт.

19

80280503

CARRIAGE BOLT,Sht Sq Nk, 3/8" - 16 x 1", Gr 5, Full Thd

2шт.

20

86533474

FLANGE BOLT,Hex, 1/2" - 13 x 1", Gr 5

1шт.

21

80702

WASHER,0.44" ID x 1" OD x 0.08" Thk

1шт.

22

87325304

CAP

1шт.

23

167268

O-RING,0.116" Thk x 1.171" ID, -916, Cl 6, 90 Duro

5шт.

24

140045

BELLEVILLE WASHER,M10 Bolt Size x 22mm OD x 1.6mm Thk

2шт.

25

87435908

SCREEN

1шт.

26

86521606

FLANGE NUT,Hex, 3/8" - 16, Gr 5

2шт.

27

86521607

FLANGE NUT,Flg, 1/2"-13, G5

1шт.

28

87540119

GAUGE

Sight

1шт.

29

570186

O-RING,0.118" Thk x 1.475" ID, -920, Cl 6, 90 Duro

1шт.

30

NSS

NOT SOLD SEPARAT

O-Ring

1шт.

31

290322

HAMMER

1шт.

Cut to Length

1шт.

32

233705

HYD CONNECTOR,1-5/16" - 12 ORB x 1-1/16" - 12 JIC

1шт.

33

219603

90 ELBOW,1-1/16" - 12 JIC x 1-1/16" - 12, 37 Degree Fem Sw

1шт.

Выбрано товаров: 37