Запчасти Case IH WD1903 (50.100.AC) - HEATING SYSTEM, LINES, 6 CYLINDER MACHINES (50) - CAB CLIMATE CONTROL

Схема запчастей Case IH WD1903 - (50.100.AC) - HEATING SYSTEM, LINES, 6 CYLINDER MACHINES (50) - CAB CLIMATE CONTROL
16
14
8
7
18
12
3
1
50.100.ap 04
home
15
1
6
17
4
13
9
7
13
5
8
11
7
7
9
2
10
4
FIT
1:1
100%

Артикул

Название

Примечание

Количество

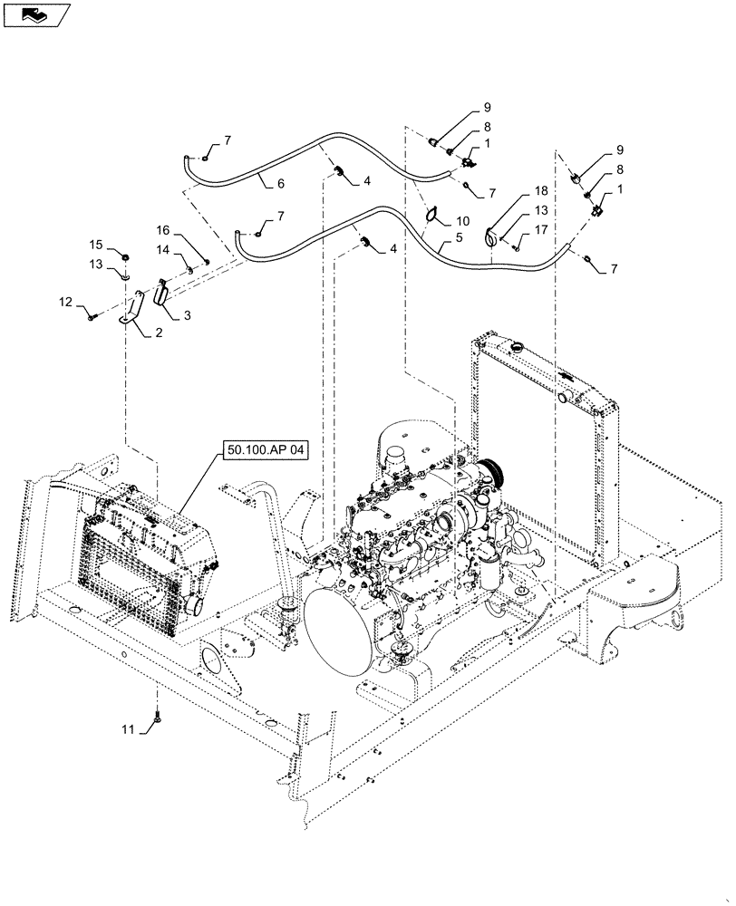
1

83961305

VALVE

2шт.

2

87367603

ANGLE

1шт.

3

600427

CLAMP,25.4mm, Coat, 8.7mm Bolt Hole, P Type

1шт.

4

173011

GROMMET,1” ID x 1.750” OD x .500” Tk

2шт.

5

87567191

HEATER HOSE,5/8” Bulk Roll 500 FT, Supply

Return, Cut To Fit, Approx 3M (18 Ft)

1шт.

6

87567192

HEATER HOSE,5/8” Bulk Roll 500 FT, Return

Supply, Cut To Fit, Approx 2M (6 Ft)

1шт.

7

87000223

HOSE CLAMP,22mm ID Static x 15mm W, Spring Type

4шт.

8

87572

BUSHING

1/2 In to 3/8 In

2шт.

9

87687370

HYD CONNECTOR,½”-14 NPTF ID x M18 x 1.5 Thd. OD x 1.67” Long

2шт.

10

249730

SECURING STRAP,8" L

1шт.

11

280430

CARRIAGE BOLT,Sq Nk, 3/8" - 16 x 3/4", Gr 5, Full Thd

1шт.

12

86521612

BOLT,Hex, 5/16" - 18 x 1 1/4", Gr 5

1шт.

13

140045

BELLEVILLE WASHER,M10 Bolt Size x 22mm OD x 1.6mm Thk

2шт.

14

322358

BELLEVILLE WASHER,M8 Bolt Size x 18mm OD x 1.4mm Thk

1шт.

15

86521606

FLANGE NUT,Hex, 3/8" - 16, Gr 5

1шт.

16

86521605

FLANGE NUT,5/16"-18, Cl 5

1шт.

17

9804266

BOLT,Hex, M12 x 25mm, Cl 8.8, Full Thd

1шт.

18

86000810

CLAMP,27mm, Coat, 13.5mm Bolt Hole, P Type

1шт.

Выбрано товаров: 18