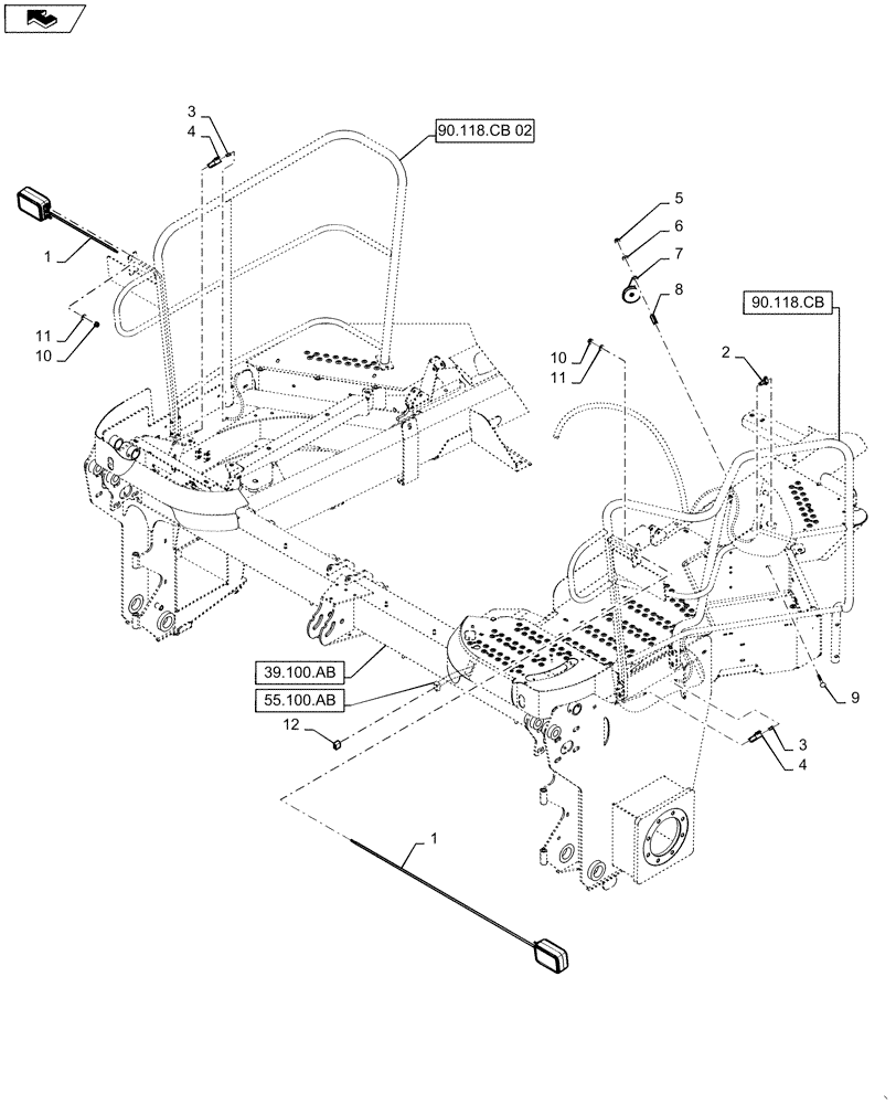
Запчасти Case IH WD1903 (55.100.AA) - FRAME, FRONT, ELECTRIC SYSTEM CONTROL (55) - ELECTRICAL SYSTEMS

Схема запчастей Case IH WD1903 - (55.100.AA) - FRAME, FRONT, ELECTRIC SYSTEM CONTROL (55) - ELECTRICAL SYSTEMS
90.118.cb
7
11
12
10
55.100.ab
39.100.ab
10
11
3
1
3
1
9
home
6
90.118.cb 02
5
2
4
4
8
FIT
1:1
100%

Артикул

Название

Примечание

Количество

1

87354282

LAMP

Amber Warning Light

2шт.

2

82002966

POWER SOCKET,M18 x 1

Aux Electric

1шт.

3

86500166

ELEC CONNECTOR

2шт.

4

225315C1

ELEC CONNECTOR,Male, 2 Pin

2шт.

5

86521605

FLANGE NUT,5/16"-18, Cl 5

1шт.

6

322358

BELLEVILLE WASHER,M8 Bolt Size x 18mm OD x 1.4mm Thk

1шт.

7

86617144

HORN

1шт.

8

86603097

SPACER

1шт.

9

281006

CARRIAGE BOLT,Sq Nk, 5/16" - 18 x 3", Gr 5

1шт.

10

80043416

NUT,M5

4шт.

11

322356

BELLEVILLE WASHER,M5 Bolt Size x 12mm OD x 1.85mm Thk

4шт.

12

84299293

SWITCH

Remote Tilt

1шт.

Выбрано товаров: 12