Запчасти Case IH WD1903 (55.512.BL[03]) - MULTIFUNCTIONAL HANDLE BASE, ASN YEG671571 (55) - ELECTRICAL SYSTEMS

Схема запчастей Case IH WD1903 - (55.512.BL[03]) - MULTIFUNCTIONAL HANDLE BASE, ASN YEG671571 (55) - ELECTRICAL SYSTEMS
20
8
2
11
24
11
4
15
11
25
2
7
10
6
5
1
3
22
2
9
17
17
14
16
2
17
23
17
11
21
17
5
17
12
8
17
11
8
17
13
11
11
2
19
8
2
18
FIT
1:1
100%

Артикул

Название

Примечание

Количество

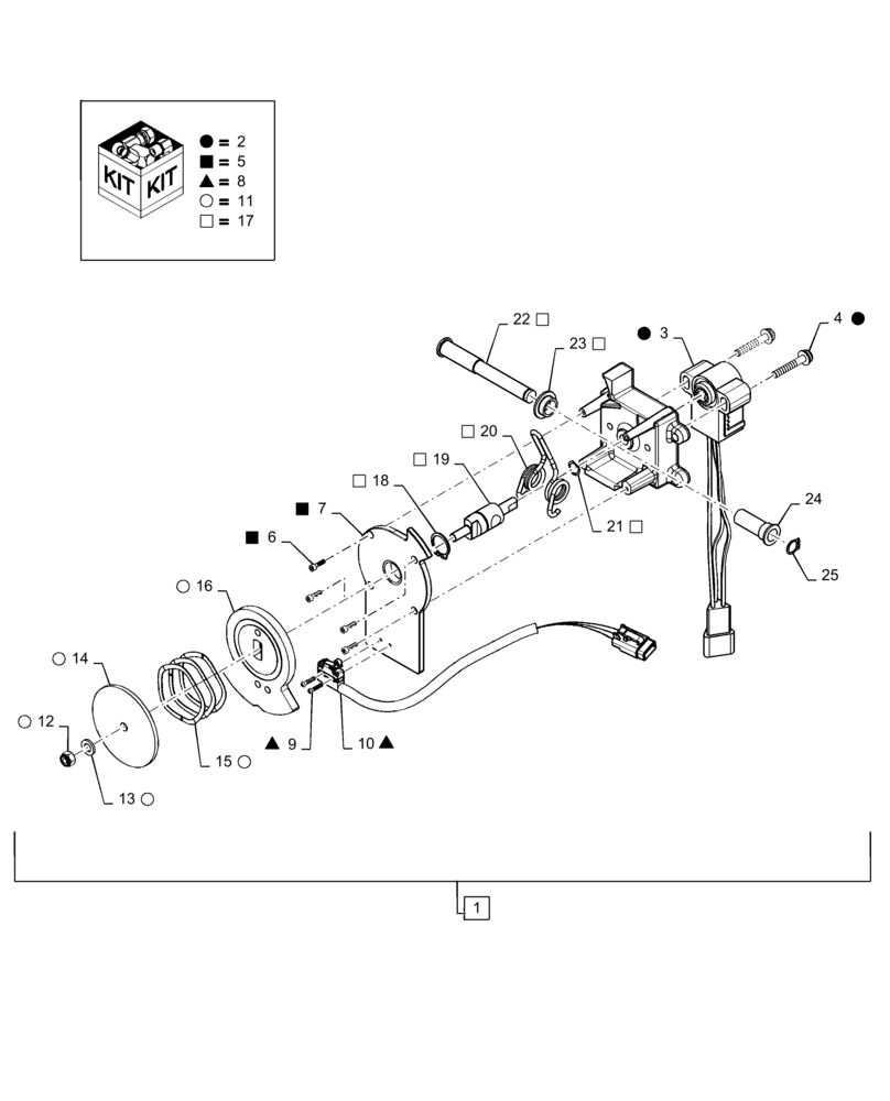
1

47687879

KIT

Multifuction Handle Control Base, Incl 2 - 25

1шт.

2

87284090

KIT

Sensor, Incl 3 - 4, Incl with 1

1шт.

3

87045052

POTENTIOMETER,5 VDC

Rotary Position Sensor, Incl with 1, 2

1шт.

4

87282487

SCREW,Pozidrive, Pan HD, #10 - 32 x 1-1/4"

Incl with 1, 2

2шт.

5

87282659

KIT

Neutral Stop, Incl 6 - 7, Incl with 1

1шт.

6

87107955

HEX SOC SCREW,Torx, #4 - 40 x 3/8", Patch

Incl with 1, 5

4шт.

7

87109133

PLATE

Neutral Stop Assy, Incl with 1, 5

1шт.

8

87048038

KIT

Neutral Switch, Incl 9 - 10, Incl with 1

1шт.

9

87107958

SCREW,Pan, #2 - 56 x 0.50mm

Incl with 1, 8

2шт.

10

47691104

WIRE HARNESS

Mechanical Neutral Switch, Incl with 1, 8

1шт.

11

87284702

KIT

Friction Plate, Incl 12 - 16, Incl with 1

1шт.

12

87107962

LOCK NUT

Incl with 1, 11

1шт.

13

86624181

WASHER,M6

Incl with 1, 11

1шт.

14

87107960

PLATE

Friction, Incl with 1, 11

1шт.

15

86975889

WAVE WASHER

Incl with 1, 11

3шт.

16

87284703

CAM

Incl with 1, 11

1шт.

17

87282655

KIT

Shaft, Incl 18 - 25, Incl with 1

1шт.

18

83902308

SNAP RING

Incl with 1, 17

1шт.

19

87282625

SHAFT

Incl with 1, 17

1шт.

20

87282624

TORSION SPRING

Incl with 1, 17

1шт.

21

87107953

WAVE WASHER

Incl with 1, 17

1шт.

22

87282621

PIN

Shaft, Incl with 1, 17

1шт.

23

87282622

BUSHING

Incl with 1, 17

1шт.

24

87282626

BUSHING

Incl with 1, 17

1шт.

25

87282627

SNAP RING

Incl with 1, 17

1шт.

Выбрано товаров: 25