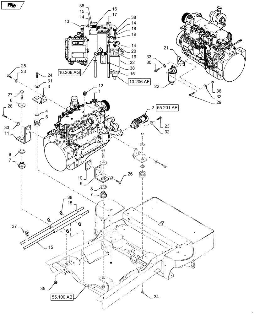
Запчасти Case IH WD1903 (10.001.AK) - ENGINE MOUNT, 6 CYLINDER (10) - ENGINE

Схема запчастей Case IH WD1903 - (10.001.AK) - ENGINE MOUNT, 6 CYLINDER (10) - ENGINE
2
15
21
33
36
55.100.ab
14
24
38
23
33
8
14
4
7
home
26
27
15
37
16
55.201.ae
19
6
8
10.206.af
17
14
18
22
5
7
10.206.ag
22
9
13
32
34
29
32
30
35
31
16
28
33
12
1
10
38
25
38
15
38
15
11
20
3
FIT
1:1
100%

Артикул

Название

Примечание

Количество

1

84366071

ENGINE

6 Cylinder T3, North America

1шт.

1

84366070

ENGINE

6 Cylinder T3, North America

1шт.

1

84250222

ENGINE,169kW, 6.8L, 6 Cylinders, W/ Turbocharger

6 Cylinder, T3 Export Only

1шт.

1

84250226

ENGINE,142kW, 6.8L, 6 Cylinders, W/ Turbocharger

6 Cylinder, T3 Export Only

1шт.

1

84250226ER

REMAN-REPLACEMENT EN

Reman for New PN 84250226

1шт.

1

84250226EPAC

CORE-REPLACEMENT ENG

Return Number

1шт.

2

87577368

STARTER MOTOR,3 hole

Iskra

1шт.

2

87577368R

REMAN-STARTER,3 hole

Iskra

1шт.

2

87577368C

CORE-STARTER

Return Number

1шт.

3

87350556

MOUNTING PLATE

2шт.

4

87350623

WASHER

2шт.

5

86550698

INSULATOR

2шт.

6

86545287

WASHER,25.9mm ID x 101.6mm OD x 4.8mm thick

2шт.

7

86550699

INSULATOR

2шт.

8

9823910

WASHER

2шт.

9

87350563

MOUNTING PLATE

1шт.

10

87353377

SUPPORT

1шт.

11

87350560

MOUNTING PLATE

1шт.

12

647429

DRAIN PLUG,Sq Soc HD, 1/2" - 14, NPTF

1шт.

13

8605735

90 ELBOW

Brass Fitting, NG12 To 3/8 Hose

2шт.

14

86625041

HOSE CLAMP,11.2mm - 19.8mm

4шт.

15

86516356

FUEL HOSE,0.38" ID, SAE 30R7

Approx. 15 Ft.

1шт.

16

87580075

CONDUIT

1шт.

17

86628564

CLAMP,31.7mm, Coat, 10.3mm Bolt Hole, P Type

1шт.

18

87408919

FITTING

NG-8 Straight

1шт.

19

8605736

FITTING

NG12 To 3/8 Hose

1шт.

20

8602542

ADAPTER,M14 x 1.5 x 16mm ID x 7.90mm ID

NG12 To M14 x1.5

2шт.

21

87375650

SUPPORT

1шт.

22

84348875

FILTER ASSY

Fuel Water Separator, See Page 10.206.AF For Breakdown

1шт.

23

9515003

BOLT,Hex, M10 x 1.5 x 30mm, Cl 10.9

3шт.

24

87338

BOLT,Hex, 5/8" - 11 x 3", Gr 5

2шт.

25

9706687

BOLT,M12 x 1.75 x 30mm, Cl 8.8

6шт.

26

9706702

BOLT,Hex, M12 x 1.75 x 50mm, Cl 8.8

4шт.

27

280285

BOLT,Hex, 1" - 8 x 4", Gr 5

2шт.

28

86629541

BOLT,Hex, M12 x 1.75 x 40mm, Cl 8.8

4шт.

29

280523

BOLT,Hex, 3/8" - 16 x 1 1/4", Gr 5

2шт.

30

9804266

BOLT,Hex, M12 x 25mm, Cl 8.8, Full Thd

2шт.

31

86545286

WASHER

2шт.

32

140045

BELLEVILLE WASHER,M10 Bolt Size x 22mm OD x 1.6mm Thk

5шт.

33

140046

BELLEVILLE WASHER,M12 Bolt Size x 27mm OD x 1.8mm Thk

16шт.

34

19670

NUT,5/8"-11, GB

2шт.

35

280286

NUT,1"-8, GB

2шт.

36

86521606

FLANGE NUT,Hex, 3/8" - 16, Gr 5

2шт.

37

84484346

STRAP,328mm L

1шт.

38

249730

SECURING STRAP,8" L

8шт.

Выбрано товаров: 45