Запчасти Case IH WD1903 (35.910.AD[01]) - HYDROSTATIC PUMP, DRAPER 6 CYLINDER (35) - HYDRAULIC SYSTEMS

Схема запчастей Case IH WD1903 - (35.910.AD[01]) - HYDROSTATIC PUMP, DRAPER 6 CYLINDER (35) - HYDRAULIC SYSTEMS
28
7
21
10
21
21
12
15
27
19
26
3
27
16
25
6
18
21
13
8
4
14
26
12
9
3
5
29
21
13
20
22
20
11
24
23
2
1
9
3
26
5
17
FIT
1:1
100%

Артикул

Название

Примечание

Количество

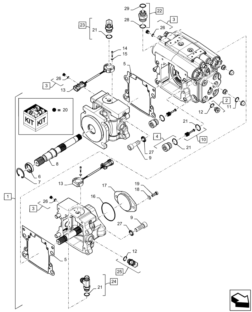
1

47398822

HYDRAULIC PUMP

49.2/49.2 Tandem Pump, Draper, 6 Cylinder, Incl 2 - 21

1шт.

2

86590562

PLUG,Hex Soc, 3/4" - 16 ORB

Incl 12, Incl with 1

7шт.

3

278548

PLUG,Hex, 7/16"-20 ORB

Incl 26, Incl with 1

3шт.

4

9841223

PLUG,1-1/16" - 12 ORB

Incl 21, Incl with 1

4шт.

5

47719477

GASKET

Flange, Incl with 1

2шт.

6

47719480

SEAL

Oil, Incl with 1

1шт.

7

47719481

CIRCLIP

Internal, Incl with 1

1шт.

8

47726149

SHAFT

Input, 6 Cylinder, Incl with 1

1шт.

9

11118774

SCREW,Hex, M16 x 45mm, Cl 12.9

M16 x 45mm, Incl with 1

8шт.

10

86837874

VALVE PRESSURE RELIE

Incl 21, Incl with 1

4шт.

11

217405

O-RING,0.103" Thk x 1.925" ID, -135, Cl 5, 75 Duro

Incl with 1

2шт.

12

128825

O-RING,0.087" Thk x 0.644" ID, -908, Cl 6, 90 Duro

Incl with 1 - 2, 26

10шт.

13

47709971

SENSOR

Cam Position, Incl with 1

2шт.

14

87016468

HEX SOC SCREW,M4 x 25mm, Cl 8.8

Incl with 1

4шт.

15

9824840

WASHER,4.3mm ID x 9mm OD x 0.8mm Thk

Incl with 1

4шт.

16

272310

O-RING,0.07" Thk x 3.239" ID, -42, Cl 5, 75 Duro

Rear Cover, Incl with 1

1шт.

17

47726111

COVER

Rear, Incl with 1

1шт.

18

87016

WASHER,0.41" ID x 0.81" OD x 0.07" Thk

Rear Cover, Incl with 1

2шт.

19

88206

BOLT,Hex, 3/8" - 16 x 1", Gr 5

Incl with 1

2шт.

20

47726132

REPAIR KIT

Pump Service, Incl with 1

1шт.

21

167266

O-RING,0.116" Thk x 0.924" ID, -912, Cl 6, 90 Duro

Incl with 4, 10, 23 - 24

8шт.

22

87359470

HYD CONNECTOR,1-3/16" - 12 ORFS x 1-5/16" - 12 ORB

4шт.

23

87329785

ELBOW,90 Degree, 1-1/16" - 12 ORB x 3/4" - 16 JIC

Incl with 21

1шт.

24

219604

TEE,1-1/16" - 12 ORB x 1-1/16" - 12 JIC x 1-1/16" - 12 JIC

Incl with 21

1шт.

25

81827427

HYD CONNECTOR,3/4" - 16 JIC x 3/4" - 16 ORB

Incl with 12

1шт.

26

165202

O-RING,0.072" Thk x 0.351" ID, -904, Cl 6, 90 Duro

Incl with 3

3шт.

27

87563152

WASHER,17mm ID x 26.5mm OD x 4mm Thk

Incl with 1

8шт.

28

167268

O-RING,0.116" Thk x 1.171" ID, -916, Cl 6, 90 Duro

Incl 22

4шт.

29

9991976

O-RING,0.07" Thk x 0.739" ID, -18, Cl 6, 90 Duro

Incl 22

4шт.

Выбрано товаров: 29