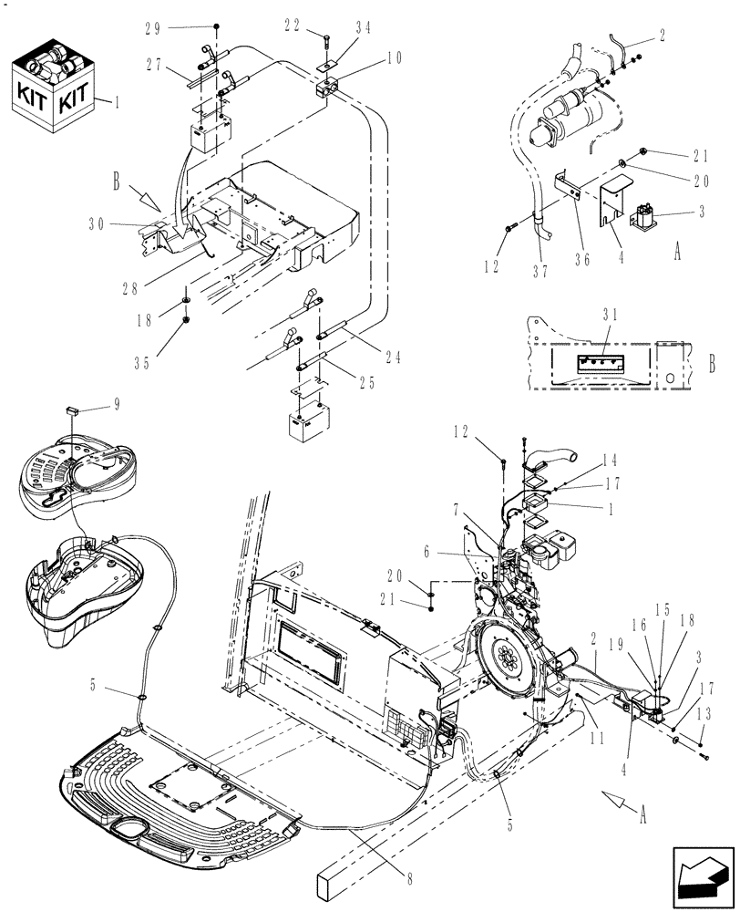
Запчасти Case IH WD2303 (18.14[3]) - DIA., DELUXE COLD START KIT (18) - ACCESSORIES

Схема запчастей Case IH WD2303 - (18.14[3]) - DIA., DELUXE COLD START KIT (18) - ACCESSORIES
30
29
21
34
25
10
2
3
12
22
18
14
12
36
19
13
28
1
8
a
27
20
4
31
20
7
15
5
17
35
3
6
1
37
21
18
b
9
4
b
a
24
17
11
5
2
16
FIT
1:1
100%

Артикул

Название

Примечание

Количество

84293919

DIA KIT, HARVESTER

4 CYL Deluxe Cold Start, Includes 1 Thru 41

1шт.

TY2011 From PIN YAG663501

1шт.

1

82017872

HEATER

1шт.

2

87042839

ELECTRIC CABLE

1шт.

3

87406968

SOLENOID SWITCH

1шт.

4

87043023

BRACKET

1шт.

5

86566989

CABLE TIE,208mm L

CABLE STRAP

15шт.

6

87039571

HARNESS

PH-F

1шт.

7

86628564

CLAMP,31.7mm, Coat, 10.3mm Bolt Hole, P Type

1шт.

8

87041200

HARNESS

PH-C D

1шт.

9

86631307

SWITCH

1шт.

10

86900725

CLAMP

1шт.

11

86521550

BOLT,Hex, 1/4" - 20 x 3/4", Gr 5

2шт.

12

9628510

BOLT,Hex, 3/8" - 16 x 3/4", Gr 5

2шт.

13

86624020

FLANGE NUT,Flg, 1/4"-20.G5

2шт.

14

353308

NUT,M6 x 1.0, Cl 8

2шт.

15

9635082

NUT,5/16" - 18, Gr 5

2шт.

16

87825

NUT,#10-32

2шт.

17

322357

BELLEVILLE WASHER,M6 Bolt Size x 14mm OD x 1.3mm Thk

4шт.

18

322358

BELLEVILLE WASHER,M8 Bolt Size x 18mm OD x 1.4mm Thk

3шт.

19

80684

LOCK WASHER,4.9mm ID x 8.48mm OD x 1.19mm Thk

2шт.

20

140045

BELLEVILLE WASHER,M10 Bolt Size x 22mm OD x 1.6mm Thk

2шт.

21

86521606

FLANGE NUT,Hex, 3/8" - 16, Gr 5

2шт.

22

88346

BOLT,Hex, 5/16" - 18 x 2 1/2", Gr 5

1шт.

24

86533717

ELECTRIC CABLE

1шт.

25

86533716

ELECTRIC CABLE

1шт.

27

794967

SUPPORT

1шт.

28

798180

BOLT

2шт.

29

9628503

NUT,3/8"-16, G5

4шт.

30

76776

DECAL

1шт.

31

87054970

DECAL

1шт.

34

87053042

PLATE

1шт.

35

86521605

FLANGE NUT,5/16"-18, Cl 5

1шт.

36

87048477

SPRING CLIP

1шт.

37

9827902

CLAMP,25.4mm, Coat, 10.3mm Bolt Hole, P Type

1шт.

41

87039570

HARNESS

PH-C E4, Economy Cab Units Only

1шт.

Not Illustrated

1шт.

Выбрано товаров: 37