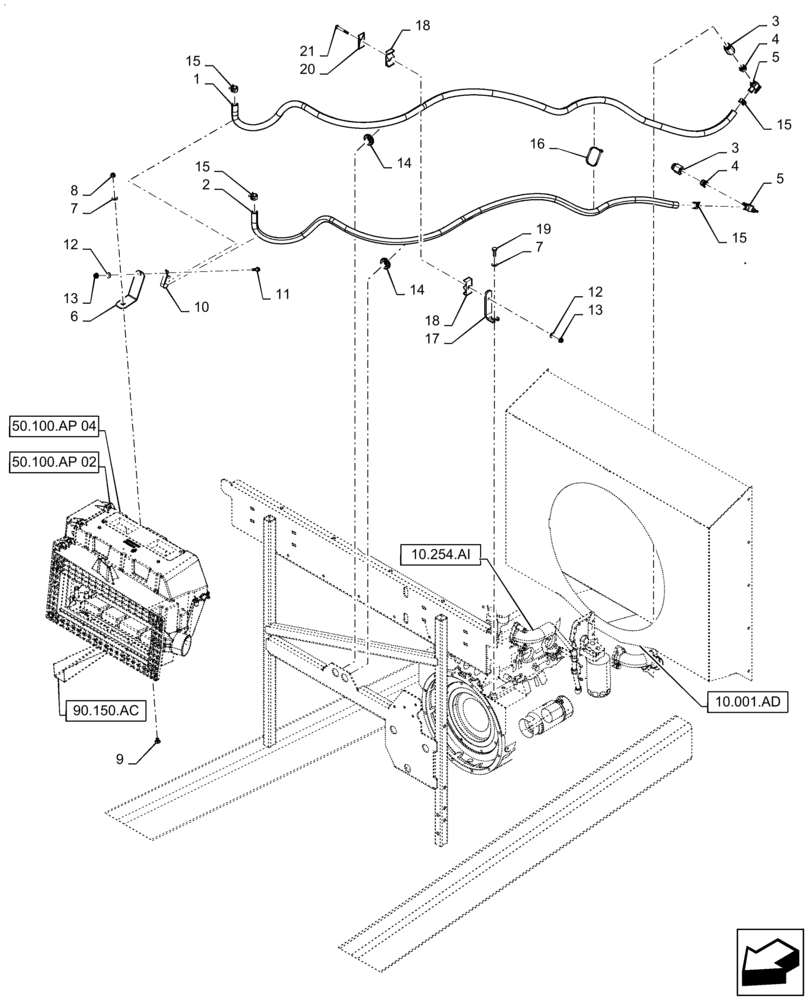
Запчасти Case IH WD1204 (50.100.AC) - HEATING SYSTEM, LINES (50) - CAB CLIMATE CONTROL

Схема запчастей Case IH WD1204 - (50.100.AC) - HEATING SYSTEM, LINES (50) - CAB CLIMATE CONTROL
12
50.100.ap 04
13
2
19
14
10.254.ai
5
3
4
8
90.150.ac
50.100.ap 02
15
15
18
10
11
3
17
18
15
12
6
7
5
10.001.ad
13
9
16
20
1
7
21
14
4
15
FIT
1:1
100%

Артикул

Название

Примечание

Количество

1

87567191

HEATER HOSE,5/8” Bulk Roll 500 FT, Supply

Engine to Heater Valve

1шт.

2

87567192

HEATER HOSE,5/8” Bulk Roll 500 FT, Return

Coolant Supply Line

1шт.

3

87687370

HYD CONNECTOR,½”-14 NPTF ID x M18 x 1.5 Thd. OD x 1.67” Long

NTPF

2шт.

4

87572

BUSHING

1/2" x 3/8"

2шт.

5

83961305

VALVE

Coolant

2шт.

6

87367603

ANGLE

Hose Mounting

1шт.

7

140045

BELLEVILLE WASHER,M10 Bolt Size x 22mm OD x 1.6mm Thk

2шт.

8

86521606

FLANGE NUT,Hex, 3/8" - 16, Gr 5

1шт.

9

280430

CARRIAGE BOLT,Sq Nk, 3/8" - 16 x 3/4", Gr 5, Full Thd

1шт.

10

600427

CLAMP,25.4mm, Coat, 8.7mm Bolt Hole, P Type

Hose

1шт.

11

86521552

BOLT,Hex, 5/16" - 18 x 3/4", Gr 5

1шт.

12

322358

BELLEVILLE WASHER,M8 Bolt Size x 18mm OD x 1.4mm Thk

2шт.

13

86521605

FLANGE NUT,5/16"-18, Cl 5

2шт.

14

173011

GROMMET,1” ID x 1.750” OD x .500” Tk

Hose Protection

2шт.

15

87000223

HOSE CLAMP,22mm ID Static x 15mm W, Spring Type

Heater

4шт.

16

249730

SECURING STRAP,8" L

Cable Tie

1шт.

17

87390120

ANGLE

Hose Mounting

1шт.

18

86900725

CLAMP

Twin

1шт.

19

9515003

BOLT,Hex, M10 x 1.5 x 30mm, Cl 10.9

1шт.

20

87053042

PLATE

Clamp Cover

1шт.

21

88346

BOLT,Hex, 5/16" - 18 x 2 1/2", Gr 5

1шт.

Выбрано товаров: 21