Запчасти Case IH WD1204 (55.100.BZ[02]) - COOLER BOX ELECTRICAL (55) - ELECTRICAL SYSTEMS

Схема запчастей Case IH WD1204 - (55.100.BZ[02]) - COOLER BOX ELECTRICAL (55) - ELECTRICAL SYSTEMS
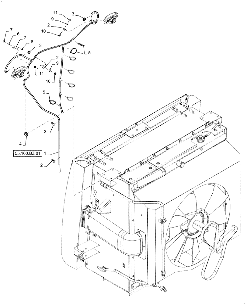
55.100.bz 01
10
10
7
3
1
9
2
5
11
8
2
2
4
9
6
3
11
2
2
5
FIT
1:1
100%

Артикул

Название

Примечание

Количество

1

47408002

WIRE HARNESS

Cooler Box

1шт.

2

86572009

CLAMP,9.5mm, Coat, 10.3mm Bolt Hole, P Type

5шт.

3

174266

GROMMET

2шт.

4

102043

GROMMET,19.05mm ID x 34.925mm OD x 11.11mm Thk

1шт.

5

86566989

CABLE TIE,208mm L

1шт.

6

322357

BELLEVILLE WASHER,M6 Bolt Size x 14mm OD x 1.3mm Thk

1шт.

7

87695418

FLANGE BOLT,M6 x 1.0 x 16mm, Cl 10.9

1шт.

8

86050300

FLANGE NUT,M6 x 1.0, Cl 10

1шт.

9

322358

BELLEVILLE WASHER,M8 Bolt Size x 18mm OD x 1.4mm Thk

2шт.

10

87681207

BOLT,M8 x 24.1mm, Cl 10.9

2шт.

11

86507066

FLANGE NUT,M8 x 1.25, Cl 10

2шт.

Выбрано товаров: 11