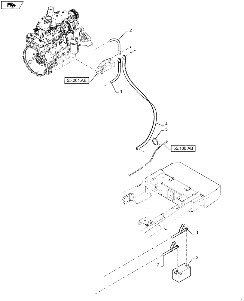
Запчасти Case IH WD1204 (55.510.AU) - BATTERY - CABLES, 4 CYLINDER MACHINES (55) - ELECTRICAL SYSTEMS

Схема запчастей Case IH WD1204 - (55.510.AU) - BATTERY - CABLES, 4 CYLINDER MACHINES (55) - ELECTRICAL SYSTEMS
55.100.ab
1
2
1
4
3
2
5
55.201.ae
FIT
1:1
100%

Артикул

Название

Примечание

Количество

1

86533713

ELECTRIC CABLE

Battery Cable Negative

1шт.

2

84515764

WIRE HARNESS

Battery Relay, Start

1шт.

3

BNH31925SW

WET BATTERY

925 CCA

1шт.

3

B31750SW

WET BATTERY

650 CCA

1шт.

4

87035431

GROUND STRAP

1шт.

5

249730

SECURING STRAP,8" L

Cable Tie, 8X.115 In, Nylon, Black

1шт.

Выбрано товаров: 6