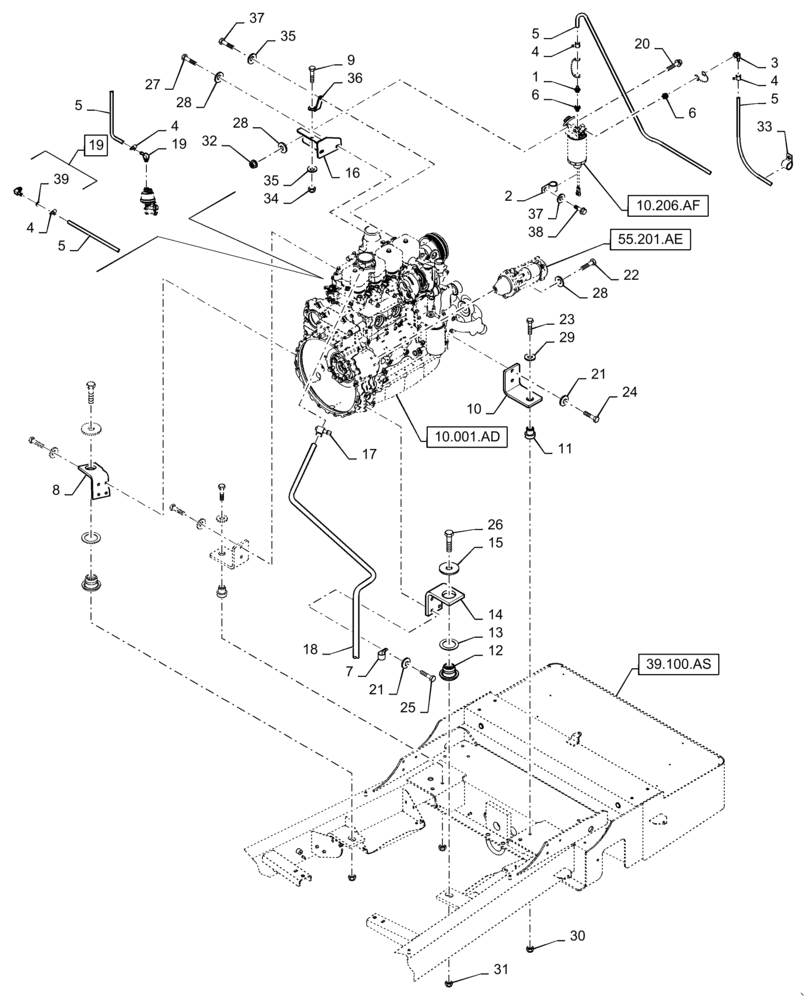
Запчасти Case IH WD1204 (10.001.AK) - ENGINE MOUNT, 4 CYLINDER (10) - ENGINE

Схема запчастей Case IH WD1204 - (10.001.AK) - ENGINE MOUNT, 4 CYLINDER (10) - ENGINE
35
4
12
17
28
30
25
13
36
28
24
5
15
6
23
1
18
16
22
5
37
27
35
33
10
4
10.206.af
29
7
3
31
55.201.ae
4
5
21
4
28
38
14
5
34
19
21
8
2
26
19
32
11
39
9
39.100.as
37
6
10.001.ad
20
FIT
1:1
100%

Артикул

Название

Примечание

Количество

1

8605736

FITTING

1шт.

2

86010402

CLAMP,12.7mm, Coat, 10.3mm Bolt Hole, P Type

1шт.

3

8605735

90 ELBOW

1шт.

4

574518

HOSE CLAMP,6.3mm - 15.7mm, SAE # 4

4шт.

5

86516356

FUEL HOSE,0.38" ID, SAE 30R7

1шт.

6

8602542

ADAPTER,M14 x 1.5 x 16mm ID x 7.90mm ID

2шт.

7

86000810

CLAMP,27mm, Coat, 13.5mm Bolt Hole, P Type

1шт.

8

47726633

MOUNT

Assy, RH

1шт.

9

86521553

BOLT,Hex, 5/16" - 18 x 1", Gr 5

1шт.

10

87543343

MOUNTING PLATE

Rear

2шт.

11

86541277

INSULATOR

2шт.

12

86550697

INSULATOR

2шт.

13

9823910

WASHER

2шт.

14

47726652

MOUNT

Assy, LH

1шт.

15

86545287

WASHER,25.9mm ID x 101.6mm OD x 4.8mm thick

2шт.

16

87620129

BRACKET

Fuel Filter Mounting

1шт.

17

9706921

HOSE CLAMP,12.7mm - 35mm

1шт.

18

87052750

HOSE,0.75" ID x 45.00", SAE 30R2/100R6

1шт.

19

87400460

90 ELBOW

Incl 39

2шт.

20

86511845

BOLT,M10 x 44.2mm OAL, Cl 8.8, Full Thd

3шт.

21

140046

BELLEVILLE WASHER,M12 Bolt Size x 27mm OD x 1.8mm Thk

12шт.

22

9515003

BOLT,Hex, M10 x 1.5 x 30mm, Cl 10.9

3шт.

23

87339

BOLT,Hex, 1/2" - 13 x 3", Gr 5

2шт.

24

9706687

BOLT,M12 x 1.75 x 30mm, Cl 8.8

4шт.

25

300389

BOLT,M12 x 1.75 x 35mm, Cl 8.8

8шт.

26

280285

BOLT,Hex, 1" - 8 x 4", Gr 5

2шт.

27

9804258

BOLT,Hex, M8 x 1.25 x 20mm, Cl 8.8

2шт.

28

140045

BELLEVILLE WASHER,M10 Bolt Size x 22mm OD x 1.6mm Thk

8шт.

29

29684

WASHER,13.5mm ID x 50.8mm OD x 5.52mm Thk

13.5mm ID 50.8mm OD

2шт.

30

9636698

NUT,1/2"-13, GB

2шт.

31

280286

NUT,1"-8, GB

2шт.

32

9804278

FLANGE NUT,M10 x 1.5, Cl 8

3шт.

33

9706748

CLAMP,15.9mm, Coat, 8.7mm Bolt Hole, P Type

1шт.

34

86521605

FLANGE NUT,5/16"-18, Cl 5

1шт.

35

322358

BELLEVILLE WASHER,M8 Bolt Size x 18mm OD x 1.4mm Thk

3шт.

36

84135833

BRACKET

Filter Support

1шт.

37

120104

BOLT,Hex, M8 x 1.25 x 20mm, Cl 8.8

2шт.

38

120103

BOLT,M8 x 1.25 x 16mm, Cl 8.8

1шт.

39

87445404

O-RING,2.5mm Thk x 8mm ID, 60 Duro

Fuel Fitting, Incl with 19

2шт.

Выбрано товаров: 39