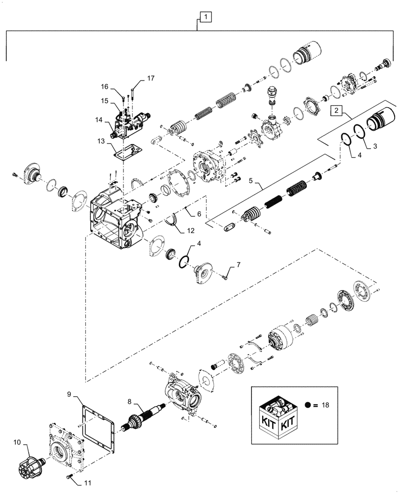
Запчасти Case IH WD1504 (35.910.AF[05]) - HYDRAULIC PUMP BREAKDOWN (35) - HYDRAULIC SYSTEMS

Схема запчастей Case IH WD1504 - (35.910.AF[05]) - HYDRAULIC PUMP BREAKDOWN (35) - HYDRAULIC SYSTEMS
8
5
18
13
6
18
1
12
15
16
4
2
17
14
10
3
4
11
9
7
FIT
1:1
100%

Артикул

Название

Примечание

Количество

1

47678472

HYDRAULIC PUMP

Assy, Incl 2 - 18

1шт.

2

47719479

SLEEVE

2шт.

3

511526

O-RING,0.139" Thk x 3.359" ID, -237, Cl 5, 75 Duro

2шт.

4

9617975

O-RING,0.139" Thk x 2.984" ID, -234, Cl 5, 75 Duro

4шт.

5

224669C91

PISTON

2шт.

6

407220

SCREW

6шт.

7

50087

BOLT,Hex, 7/16" - 14 x 7/8", Gr 5, Full Thd

6шт.

8

47719453

SHAFT

1шт.

9

407203

GASKET

1шт.

10

445521A1

SEAL

Shaft

1шт.

11

9627887

BOLT,Hex, 7/16" - 14 x 1 1/4", Gr 5, Full Thd

12шт.

12

47725938

RETAINER

2шт.

13

277030

GASKET

1шт.

14

87450564

SOLENOID,Coil Pair

2шт.

15

47725939

CONTROLLER

1шт.

16

9635884

BOLT,Hex, 5/16" - 18 1", Full Thd, Gr 5

3шт.

17

87626

BOLT,Hex, 5/16" - 18 x 2 3/4", Gr 5

2шт.

18

00407234

SEAL

1шт.

Выбрано товаров: 18